Крупнейшая бесплатная информационно-справочная система онлайн доступа к полному собранию технических нормативно-правовых актов РФ. Огромная база технических нормативов (более 150 тысяч документов) и полное собрание национальных стандартов, аутентичное официальной базе Госстандарта. GOSTRF.com - это более 1 Терабайта бесплатной технической информации для всех пользователей интернета. Все электронные копии представленных здесь документов могут распространяться без каких-либо ограничений. Поощряется распространение информации с этого сайта на любых других ресурсах. Каждый человек имеет право на неограниченный доступ к этим документам! Каждый человек имеет право на знание требований, изложенных в данных нормативно-правовых актах!

  


 

ГОСТ 22790-89

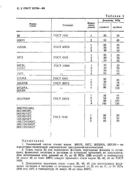
Сборочные единицы и детали трубопроводов на Ру св. 10 до 100 МПа (св. 100 до 1000 кгс/см кв.). Общие технические условия

Обозначение:ГОСТ 22790-89
Текущий статус документа: действующий
Название документа рус.:Сборочные единицы и детали трубопроводов на Ру св. 10 до 100 МПа (св. 100 до 1000 кгс/см кв.). Общие технические условия
Название документа англ.:Assembly units and pipeline parts for Pnom 9,81-98,1 MPa (100-1000 kgf/sm sq). General specifications
Дата актуализации текста:01.12.2013
Дата издания:13.10.1989
Дата введения:01.01.1990
Дата последнего изменения:25.11.2013
Дата окончания срока действия:01.05.2014
Область применения:Настоящий стандарт распространяется на сборочные единицы и детали трубопроводов и устанавливает требования к сборочным единицам и деталям трубопроводов для производства нефтехимической промышленности и промышленности по производству минеральных удобрений
Список изменений:№0 от 01.05.2014 (рег. 06.09.2013) «Поправка к изменению»
ГОСТ 22790-89ГОСТ 22790-89ГОСТ 22790-89ГОСТ 22790-89ГОСТ 22790-89ГОСТ 22790-89ГОСТ 22790-89ГОСТ 22790-89ГОСТ 22790-89ГОСТ 22790-89ГОСТ 22790-89ГОСТ 22790-89ГОСТ 22790-89ГОСТ 22790-89ГОСТ 22790-89ГОСТ 22790-89ГОСТ 22790-89ГОСТ 22790-89ГОСТ 22790-89ГОСТ 22790-89ГОСТ 22790-89ГОСТ 22790-89ГОСТ 22790-89ГОСТ 22790-89ГОСТ 22790-89ГОСТ 22790-89ГОСТ 22790-89ГОСТ 22790-89ГОСТ 22790-89ГОСТ 22790-89ГОСТ 22790-89ГОСТ 22790-89ГОСТ 22790-89
 




ГОСТЫ, СТРОИТЕЛЬНЫЕ и ТЕХНИЧЕСКИЕ НОРМАТИВЫ.
Некоммерческая онлайн система, содержащая все Российские Госты, национальные Стандарты и нормативы.
В Системе содержится более 150000 файлов нормативно-технической документации, действующей на территории РФ.
Система предназначена для широкого круга инженерно-технических специалистов.

Рейтинг@Mail.ru Яндекс цитирования

Copyright © www.gostrf.com, 2008 - 2026