Крупнейшая бесплатная информационно-справочная система онлайн доступа к полному собранию технических нормативно-правовых актов РФ. Огромная база технических нормативов (более 150 тысяч документов) и полное собрание национальных стандартов, аутентичное официальной базе Госстандарта. GOSTRF.com - это более 1 Терабайта бесплатной технической информации для всех пользователей интернета. Все электронные копии представленных здесь документов могут распространяться без каких-либо ограничений. Поощряется распространение информации с этого сайта на любых других ресурсах. Каждый человек имеет право на неограниченный доступ к этим документам! Каждый человек имеет право на знание требований, изложенных в данных нормативно-правовых актах!

  


 

ГОСТ 28103-89

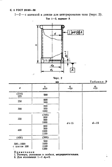
Тазы для машин прядильного производства. Типы, основные параметры и размеры

Обозначение:ГОСТ 28103-89
Текущий статус документа: действующий
Название документа рус.:Тазы для машин прядильного производства. Типы, основные параметры и размеры
Название документа англ.:Cans for machines of spinning industry. Types, main parameteres and dimensions
Дата актуализации текста:01.12.2013
Дата издания:10.08.1989
Дата введения:01.01.1990
Дата последнего изменения:22.05.2013
Область применения:Настоящий стандарт распространяется на тазы для лент из всех видов волокон, применяемые на машинах прядильного производства, и устанавливает их типы, основные параметры и размеры
ГОСТ 28103-89ГОСТ 28103-89ГОСТ 28103-89ГОСТ 28103-89ГОСТ 28103-89ГОСТ 28103-89ГОСТ 28103-89ГОСТ 28103-89ГОСТ 28103-89ГОСТ 28103-89ГОСТ 28103-89ГОСТ 28103-89
 




ГОСТЫ, СТРОИТЕЛЬНЫЕ и ТЕХНИЧЕСКИЕ НОРМАТИВЫ.
Некоммерческая онлайн система, содержащая все Российские Госты, национальные Стандарты и нормативы.
В Системе содержится более 150000 файлов нормативно-технической документации, действующей на территории РФ.
Система предназначена для широкого круга инженерно-технических специалистов.

Рейтинг@Mail.ru Яндекс цитирования

Copyright © www.gostrf.com, 2008 - 2026