Крупнейшая бесплатная информационно-справочная система онлайн доступа к полному собранию технических нормативно-правовых актов РФ. Огромная база технических нормативов (более 150 тысяч документов) и полное собрание национальных стандартов, аутентичное официальной базе Госстандарта. GOSTRF.com - это более 1 Терабайта бесплатной технической информации для всех пользователей интернета. Все электронные копии представленных здесь документов могут распространяться без каких-либо ограничений. Поощряется распространение информации с этого сайта на любых других ресурсах. Каждый человек имеет право на неограниченный доступ к этим документам! Каждый человек имеет право на знание требований, изложенных в данных нормативно-правовых актах!

  


 

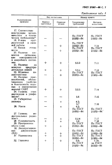
ГОСТ 27587-88

Средства технические аналоговой вычислительной техники. Общие технические условия

Обозначение:ГОСТ 27587-88
Текущий статус документа: действующий
Название документа рус.:Средства технические аналоговой вычислительной техники. Общие технические условия
Название документа англ.:Technical means of analog computing technique. General requerements
Дата актуализации текста:01.12.2013
Дата издания:15.09.1989
Дата введения:01.01.1989
Дата последнего изменения:22.05.2013
Область применения:Настоящий стандарт распространяется на стационарные средства аналоговой вычислительной техники (САВТ) общего назначения, предназначенные для моделирования динамических систем и решения задач, описываемых обыкновенными линейными и нелинейными дифференциальными уравнениями, или задач, сводимых к системам обыкновенных дифференциальных уравнений, а также для решения задач оптимизации и статистических исследований указанных систем, и применяемые как автономно, так и в составе аналого-цифровых вычислительных комплексов (АЦВК) и аналого-цифровых вычислительных систем (АЦВС).
Станадарт не распространяется на цифровые вычислительные машины, входящие в состав АЦВС или АЦВК. Стандарт устанавливает требования к изделиям САВТ, изготовляемым для нужд народного хозяйства и экспорта
ГОСТ 27587-88ГОСТ 27587-88ГОСТ 27587-88ГОСТ 27587-88ГОСТ 27587-88ГОСТ 27587-88ГОСТ 27587-88ГОСТ 27587-88ГОСТ 27587-88ГОСТ 27587-88ГОСТ 27587-88ГОСТ 27587-88ГОСТ 27587-88ГОСТ 27587-88ГОСТ 27587-88ГОСТ 27587-88ГОСТ 27587-88ГОСТ 27587-88ГОСТ 27587-88ГОСТ 27587-88
 




ГОСТЫ, СТРОИТЕЛЬНЫЕ и ТЕХНИЧЕСКИЕ НОРМАТИВЫ.
Некоммерческая онлайн система, содержащая все Российские Госты, национальные Стандарты и нормативы.
В Системе содержится более 150000 файлов нормативно-технической документации, действующей на территории РФ.
Система предназначена для широкого круга инженерно-технических специалистов.

Рейтинг@Mail.ru Яндекс цитирования

Copyright © www.gostrf.com, 2008 - 2026