Крупнейшая бесплатная информационно-справочная система онлайн доступа к полному собранию технических нормативно-правовых актов РФ. Огромная база технических нормативов (более 150 тысяч документов) и полное собрание национальных стандартов, аутентичное официальной базе Госстандарта. GOSTRF.com - это более 1 Терабайта бесплатной технической информации для всех пользователей интернета. Все электронные копии представленных здесь документов могут распространяться без каких-либо ограничений. Поощряется распространение информации с этого сайта на любых других ресурсах. Каждый человек имеет право на неограниченный доступ к этим документам! Каждый человек имеет право на знание требований, изложенных в данных нормативно-правовых актах!

  


 

ГОСТ 12765-88

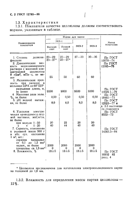
Целлюлоза хвойная сульфатная небеленая электроизоляционная. Технические условия

Обозначение:ГОСТ 12765-88
Текущий статус документа: действующий
Название документа рус.:Целлюлоза хвойная сульфатная небеленая электроизоляционная. Технические условия
Название документа англ.:Dielectric sulphate unbleached pulp of coniferous species. Specifications
Дата актуализации текста:01.12.2013
Дата издания:15.08.1988
Дата введения:01.01.1990
Дата последнего изменения:22.05.2013
Взамен:
Область применения:Настоящий стандарт распространяется на электроизоляционную небеленую сульфатную целлюлозу, предназначенную для производства электроизоляционного картона и многослойной кабельной бумаги на напряжение до 35 кВ включительно, изготовляемую
для нужд народного хозяйства и для экспорта
Список изменений:№1 от 01.07.1992 (рег. 27.12.1991) «Срок действия продлен»
ГОСТ 12765-88ГОСТ 12765-88ГОСТ 12765-88ГОСТ 12765-88ГОСТ 12765-88ГОСТ 12765-88ГОСТ 12765-88ГОСТ 12765-88ГОСТ 12765-88
 




ГОСТЫ, СТРОИТЕЛЬНЫЕ и ТЕХНИЧЕСКИЕ НОРМАТИВЫ.
Некоммерческая онлайн система, содержащая все Российские Госты, национальные Стандарты и нормативы.
В Системе содержится более 150000 файлов нормативно-технической документации, действующей на территории РФ.
Система предназначена для широкого круга инженерно-технических специалистов.

Рейтинг@Mail.ru Яндекс цитирования

Copyright © www.gostrf.com, 2008 - 2026