Крупнейшая бесплатная информационно-справочная система онлайн доступа к полному собранию технических нормативно-правовых актов РФ. Огромная база технических нормативов (более 150 тысяч документов) и полное собрание национальных стандартов, аутентичное официальной базе Госстандарта. GOSTRF.com - это более 1 Терабайта бесплатной технической информации для всех пользователей интернета. Все электронные копии представленных здесь документов могут распространяться без каких-либо ограничений. Поощряется распространение информации с этого сайта на любых других ресурсах. Каждый человек имеет право на неограниченный доступ к этим документам! Каждый человек имеет право на знание требований, изложенных в данных нормативно-правовых актах!

  


 

ГОСТ 26841-86

Режим атомных электростанций с кипящими реакторами большой мощности водно-химический. Нормы качества водного теплоносителя основного контура и контура системы управления и защиты, средства их обеспечения

Обозначение:ГОСТ 26841-86
Текущий статус документа: действующий
Название документа рус.:Режим атомных электростанций с кипящими реакторами большой мощности водно-химический. Нормы качества водного теплоносителя основного контура и контура системы управления и защиты, средства их обеспечения
Название документа англ.:Water chemistry of nuclear power plants with high power boiling water reactors. Quality codes for water coolant of primary and control and safety system circuits and means of their realization
Дата актуализации текста:01.12.2013
Дата издания:12.05.1986
Дата введения:01.01.1987
Дата последнего изменения:22.05.2013
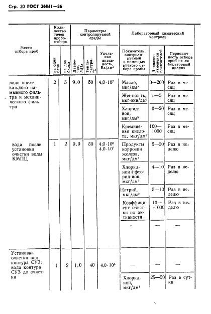
Область применения:Настоящий стандарт распространяется на водно-химический режим атомных электростанций (АЭС) с кипящими реакторами большой мощности 1000 МВт и устанавливает на стадии проектирования, эксплуатации и на период послемонтажного пуска АЭС нормы качества водного теплоносителя: воды контура многократной принудительной циркуляции, воды охлаждения контура системы управления и защиты реактора, питательной воды, насыщенного пара, конденсата турбин, воды заполнения и подпиточной воды, а также средства их обеспечения
Список изменений:№1 от 01.10.1990 (рег. 23.03.1990) «Срок действия продлен»
№2 от 01.01.1992 (рег. 12.07.1991) «Срок действия продлен»
ГОСТ 26841-86ГОСТ 26841-86ГОСТ 26841-86ГОСТ 26841-86ГОСТ 26841-86ГОСТ 26841-86ГОСТ 26841-86ГОСТ 26841-86ГОСТ 26841-86ГОСТ 26841-86ГОСТ 26841-86ГОСТ 26841-86ГОСТ 26841-86ГОСТ 26841-86ГОСТ 26841-86ГОСТ 26841-86ГОСТ 26841-86ГОСТ 26841-86ГОСТ 26841-86ГОСТ 26841-86ГОСТ 26841-86ГОСТ 26841-86ГОСТ 26841-86ГОСТ 26841-86ГОСТ 26841-86ГОСТ 26841-86ГОСТ 26841-86ГОСТ 26841-86ГОСТ 26841-86ГОСТ 26841-86ГОСТ 26841-86ГОСТ 26841-86ГОСТ 26841-86ГОСТ 26841-86ГОСТ 26841-86ГОСТ 26841-86ГОСТ 26841-86ГОСТ 26841-86
 




ГОСТЫ, СТРОИТЕЛЬНЫЕ и ТЕХНИЧЕСКИЕ НОРМАТИВЫ.
Некоммерческая онлайн система, содержащая все Российские Госты, национальные Стандарты и нормативы.
В Системе содержится более 150000 файлов нормативно-технической документации, действующей на территории РФ.
Система предназначена для широкого круга инженерно-технических специалистов.

Рейтинг@Mail.ru Яндекс цитирования

Copyright © www.gostrf.com, 2008 - 2026