Крупнейшая бесплатная информационно-справочная система онлайн доступа к полному собранию технических нормативно-правовых актов РФ. Огромная база технических нормативов (более 150 тысяч документов) и полное собрание национальных стандартов, аутентичное официальной базе Госстандарта. GOSTRF.com - это более 1 Терабайта бесплатной технической информации для всех пользователей интернета. Все электронные копии представленных здесь документов могут распространяться без каких-либо ограничений. Поощряется распространение информации с этого сайта на любых других ресурсах. Каждый человек имеет право на неограниченный доступ к этим документам! Каждый человек имеет право на знание требований, изложенных в данных нормативно-правовых актах!

  


 

ГОСТ 16017-79

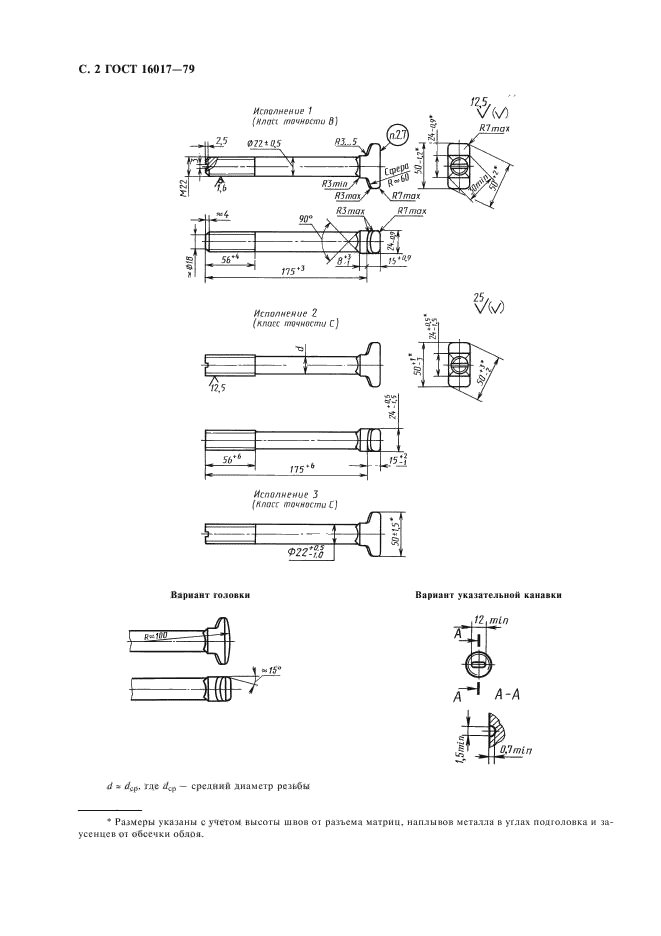
Болты закладные для рельсовых скреплений железнодорожного пути. Конструкция и размеры. Технические требования

Обозначение:ГОСТ 16017-79
Текущий статус документа: действующий
Название документа рус.:Болты закладные для рельсовых скреплений железнодорожного пути. Конструкция и размеры. Технические требования
Название документа англ.:Inserted bolts for rail track fastenings. Design and dimensions. Technical requirements
Дата актуализации текста:01.12.2013
Дата издания:01.01.2006
Дата введения:01.01.1981
Дата последнего изменения:22.05.2013
Переиздание:переиздание с изм. 1
Область применения:Настоящий стандарт распространяется на закладные болты нормальной точности (класс точности В) и грубой точности (класс точности С), применяемые для прикрепления металлических подкладок или рельсов к железобетонным подрельсовым основаниям в рельсовых скреплениях
Список изменений:№1 от 01.10.1981 (рег. 21.05.1981) «Срок действия продлен»
№2 от 01.06.1986 (рег. 02.12.1985) «Срок действия продлен»
№3 от 01.01.1991 (рег. 27.06.1990) «Срок действия продлен»
№4 от 01.01.1993 (рег. 03.06.1992) «Срок действия продлен»
ГОСТ 16017-79ГОСТ 16017-79ГОСТ 16017-79ГОСТ 16017-79ГОСТ 16017-79ГОСТ 16017-79
 




ГОСТЫ, СТРОИТЕЛЬНЫЕ и ТЕХНИЧЕСКИЕ НОРМАТИВЫ.
Некоммерческая онлайн система, содержащая все Российские Госты, национальные Стандарты и нормативы.
В Системе содержится более 150000 файлов нормативно-технической документации, действующей на территории РФ.
Система предназначена для широкого круга инженерно-технических специалистов.

Рейтинг@Mail.ru Яндекс цитирования

Copyright © www.gostrf.com, 2008 - 2026