Крупнейшая бесплатная информационно-справочная система онлайн доступа к полному собранию технических нормативно-правовых актов РФ. Огромная база технических нормативов (более 150 тысяч документов) и полное собрание национальных стандартов, аутентичное официальной базе Госстандарта. GOSTRF.com - это более 1 Терабайта бесплатной технической информации для всех пользователей интернета. Все электронные копии представленных здесь документов могут распространяться без каких-либо ограничений. Поощряется распространение информации с этого сайта на любых других ресурсах. Каждый человек имеет право на неограниченный доступ к этим документам! Каждый человек имеет право на знание требований, изложенных в данных нормативно-правовых актах!

  


 

ГОСТ Р ЕН 1434-3-2006

Теплосчетчики. Часть 3. Обмен данными и интерфейсы

Обозначение:ГОСТ Р ЕН 1434-3-2006
Текущий статус документа: заменён
Название документа рус.:Теплосчетчики. Часть 3. Обмен данными и интерфейсы
Название документа англ.:Heat meters. Part 3. Data exchange and interfaces
Дата актуализации текста:01.12.2013
Дата издания:19.10.2006
Дата введения:01.01.2007
Дата последнего изменения:16.10.2013
Дата окончания срока действия:01.03.2013
Область применения:Настоящий стандарт распространяется на одноканальные теплосчетчики, предназначенные для измерений тепловой энергии, которую поглощает или отдает в системах водяного теплоснабжения теплоносящая жидкость.
Настоящий стандарт не устанавливает требования электробезопасности.
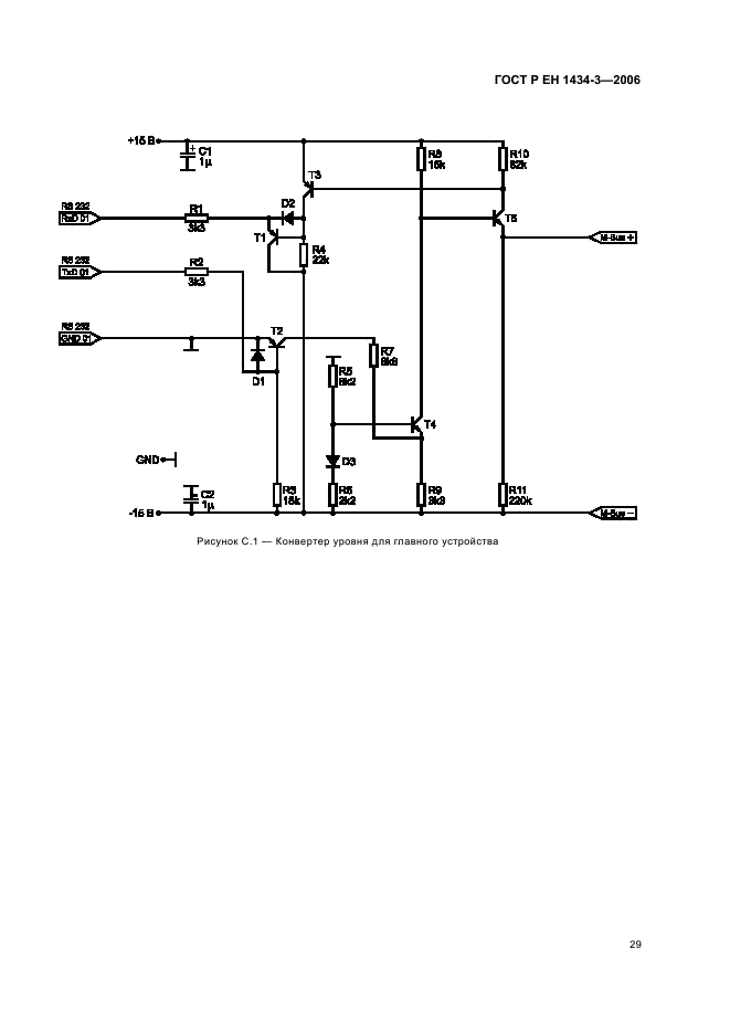
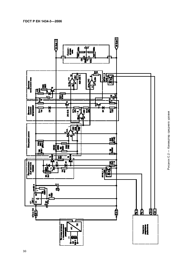
Настоящий стандарт устанавливает требования к обмену данными между теплосчетчиком и считывающим устройством (связь POINT/POINT). При этом рекомендуется использовать оптическую считывающую головку и токовую петлю (CL-интерфейс) с протоколом передачи данных по ЕН 61107
ГОСТ Р ЕН 1434-3-2006ГОСТ Р ЕН 1434-3-2006ГОСТ Р ЕН 1434-3-2006ГОСТ Р ЕН 1434-3-2006ГОСТ Р ЕН 1434-3-2006ГОСТ Р ЕН 1434-3-2006ГОСТ Р ЕН 1434-3-2006ГОСТ Р ЕН 1434-3-2006ГОСТ Р ЕН 1434-3-2006ГОСТ Р ЕН 1434-3-2006ГОСТ Р ЕН 1434-3-2006ГОСТ Р ЕН 1434-3-2006ГОСТ Р ЕН 1434-3-2006ГОСТ Р ЕН 1434-3-2006ГОСТ Р ЕН 1434-3-2006ГОСТ Р ЕН 1434-3-2006ГОСТ Р ЕН 1434-3-2006ГОСТ Р ЕН 1434-3-2006ГОСТ Р ЕН 1434-3-2006ГОСТ Р ЕН 1434-3-2006ГОСТ Р ЕН 1434-3-2006ГОСТ Р ЕН 1434-3-2006ГОСТ Р ЕН 1434-3-2006ГОСТ Р ЕН 1434-3-2006ГОСТ Р ЕН 1434-3-2006ГОСТ Р ЕН 1434-3-2006ГОСТ Р ЕН 1434-3-2006ГОСТ Р ЕН 1434-3-2006ГОСТ Р ЕН 1434-3-2006ГОСТ Р ЕН 1434-3-2006ГОСТ Р ЕН 1434-3-2006ГОСТ Р ЕН 1434-3-2006ГОСТ Р ЕН 1434-3-2006ГОСТ Р ЕН 1434-3-2006ГОСТ Р ЕН 1434-3-2006ГОСТ Р ЕН 1434-3-2006ГОСТ Р ЕН 1434-3-2006ГОСТ Р ЕН 1434-3-2006ГОСТ Р ЕН 1434-3-2006ГОСТ Р ЕН 1434-3-2006ГОСТ Р ЕН 1434-3-2006ГОСТ Р ЕН 1434-3-2006ГОСТ Р ЕН 1434-3-2006
 




ГОСТЫ, СТРОИТЕЛЬНЫЕ и ТЕХНИЧЕСКИЕ НОРМАТИВЫ.
Некоммерческая онлайн система, содержащая все Российские Госты, национальные Стандарты и нормативы.
В Системе содержится более 150000 файлов нормативно-технической документации, действующей на территории РФ.
Система предназначена для широкого круга инженерно-технических специалистов.

Рейтинг@Mail.ru Яндекс цитирования

Copyright © www.gostrf.com, 2008 - 2026