Крупнейшая бесплатная информационно-справочная система онлайн доступа к полному собранию технических нормативно-правовых актов РФ. Огромная база технических нормативов (более 150 тысяч документов) и полное собрание национальных стандартов, аутентичное официальной базе Госстандарта. GOSTRF.com - это более 1 Терабайта бесплатной технической информации для всех пользователей интернета. Все электронные копии представленных здесь документов могут распространяться без каких-либо ограничений. Поощряется распространение информации с этого сайта на любых других ресурсах. Каждый человек имеет право на неограниченный доступ к этим документам! Каждый человек имеет право на знание требований, изложенных в данных нормативно-правовых актах!

  


 

ГОСТ 11738-84

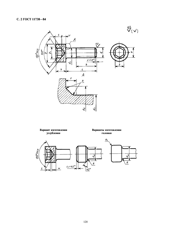
Винты с цилиндрической головкой и шестигранным углублением под ключ класса точности А. Конструкция и размеры

Обозначение:ГОСТ 11738-84
Текущий статус документа: действующий
Название документа рус.:Винты с цилиндрической головкой и шестигранным углублением под ключ класса точности А. Конструкция и размеры
Название документа англ.:Hexagon socket head cap screws, accuracy class A. Construction and dimensions
Дата актуализации текста:01.12.2013
Дата издания:01.09.2006
Дата введения:01.01.1985
Дата последнего изменения:21.08.2013
Дата окончания срока действия:01.01.2014
Переиздание:переиздание с изм. 1
Область применения:Настоящий стандарт распространяется на винты с цилиндрической головкой и шестигранным углублением под ключ с диаметром резьбы от 3 до 36 мм
Список изменений:№0 от 01.01.2014 (рег. 23.11.2012) «Поправка к изменению»
№0 от 01.01.2014 (рег. 23.11.2012) «Поправка к изменению»
№1 от 01.01.1990 (рег. 09.03.1989) «Срок действия продлен»
ГОСТ 11738-84ГОСТ 11738-84ГОСТ 11738-84ГОСТ 11738-84ГОСТ 11738-84ГОСТ 11738-84ГОСТ 11738-84
 




ГОСТЫ, СТРОИТЕЛЬНЫЕ и ТЕХНИЧЕСКИЕ НОРМАТИВЫ.
Некоммерческая онлайн система, содержащая все Российские Госты, национальные Стандарты и нормативы.
В Системе содержится более 150000 файлов нормативно-технической документации, действующей на территории РФ.
Система предназначена для широкого круга инженерно-технических специалистов.

Рейтинг@Mail.ru Яндекс цитирования

Copyright © www.gostrf.com, 2008 - 2026