Крупнейшая бесплатная информационно-справочная система онлайн доступа к полному собранию технических нормативно-правовых актов РФ. Огромная база технических нормативов (более 150 тысяч документов) и полное собрание национальных стандартов, аутентичное официальной базе Госстандарта. GOSTRF.com - это более 1 Терабайта бесплатной технической информации для всех пользователей интернета. Все электронные копии представленных здесь документов могут распространяться без каких-либо ограничений. Поощряется распространение информации с этого сайта на любых других ресурсах. Каждый человек имеет право на неограниченный доступ к этим документам! Каждый человек имеет право на знание требований, изложенных в данных нормативно-правовых актах!

  


 

ГОСТ 16277-93

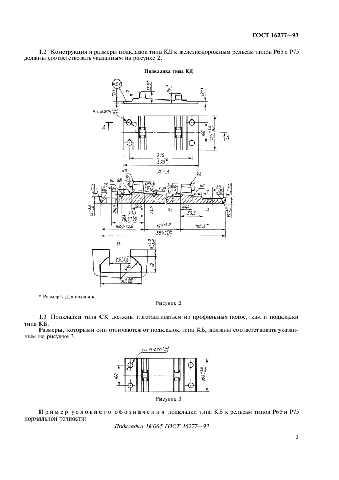
Подкладки раздельного скрепления железнодорожных рельсов типов Р50, Р65 и Р75. Технические условия

Обозначение:ГОСТ 16277-93
Текущий статус документа: действующий
Название документа рус.:Подкладки раздельного скрепления железнодорожных рельсов типов Р50, Р65 и Р75. Технические условия
Название документа англ.:Plates of separate fastening for railway P50, P65 and P75 rails. Specifications
Дата актуализации текста:01.12.2013
Дата издания:01.11.2005
Дата введения:01.01.1995
Дата последнего изменения:22.05.2013
Переиздание:переиздание
Взамен:
Область применения:Настоящий стандарт распространяется на металлические подкладки нормальной и повышенной точности для раздельного рельсового скрепления типов КБ, КД и СК к железнодорожным рельсам типов Р50, Р65 и Р75 и стрелочным переводам железнодорожного пути, изготавливаемые для нужд народного хозяйства и экспорта
ГОСТ 16277-93ГОСТ 16277-93ГОСТ 16277-93ГОСТ 16277-93ГОСТ 16277-93ГОСТ 16277-93ГОСТ 16277-93ГОСТ 16277-93ГОСТ 16277-93ГОСТ 16277-93ГОСТ 16277-93ГОСТ 16277-93ГОСТ 16277-93ГОСТ 16277-93ГОСТ 16277-93ГОСТ 16277-93
 




ГОСТЫ, СТРОИТЕЛЬНЫЕ и ТЕХНИЧЕСКИЕ НОРМАТИВЫ.
Некоммерческая онлайн система, содержащая все Российские Госты, национальные Стандарты и нормативы.
В Системе содержится более 150000 файлов нормативно-технической документации, действующей на территории РФ.
Система предназначена для широкого круга инженерно-технических специалистов.

Рейтинг@Mail.ru Яндекс цитирования

Copyright © www.gostrf.com, 2008 - 2026