Крупнейшая бесплатная информационно-справочная система онлайн доступа к полному собранию технических нормативно-правовых актов РФ. Огромная база технических нормативов (более 150 тысяч документов) и полное собрание национальных стандартов, аутентичное официальной базе Госстандарта. GOSTRF.com - это более 1 Терабайта бесплатной технической информации для всех пользователей интернета. Все электронные копии представленных здесь документов могут распространяться без каких-либо ограничений. Поощряется распространение информации с этого сайта на любых других ресурсах. Каждый человек имеет право на неограниченный доступ к этим документам! Каждый человек имеет право на знание требований, изложенных в данных нормативно-правовых актах!

  


 

ГОСТ Р ИСО 3926-2005

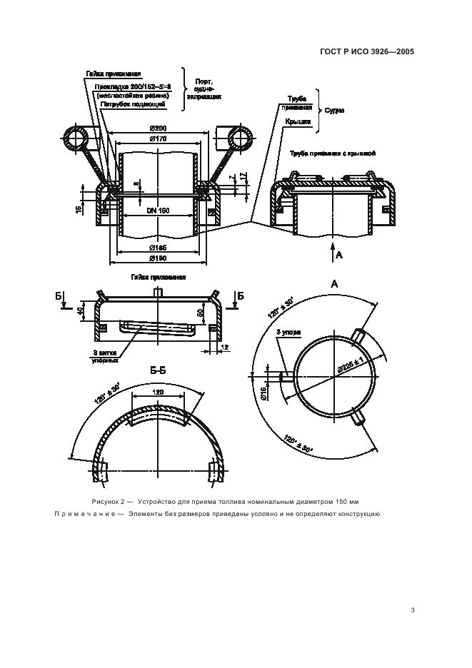
Судостроение. Внутреннее судоходство. Устройства для приема топлива и масла. Присоединительные размеры

Обозначение:ГОСТ Р ИСО 3926-2005
Текущий статус документа: действующий
Название документа рус.:Судостроение. Внутреннее судоходство. Устройства для приема топлива и масла. Присоединительные размеры
Название документа англ.:Shipbuilding. Inland navigation. Couplings for oil and fuel reception. Mating dimensions
Дата актуализации текста:01.12.2013
Дата издания:01.04.2008
Дата введения:01.01.2007
Дата последнего изменения:22.05.2013
Переиздание:переиздание
Область применения:Настоящий стандарт устанавливает присоединительные размеры устройств для приема топлива и масла при номинальном давлении PN 2,5 на судах внутреннего плавания и в портовых установках, используемых этими судами.
Настоящий стандарт не распространяется на соответствующие устройства грузовых систем судов, предназначенных для перевозки нефтепродуктов
ГОСТ Р ИСО 3926-2005ГОСТ Р ИСО 3926-2005ГОСТ Р ИСО 3926-2005ГОСТ Р ИСО 3926-2005ГОСТ Р ИСО 3926-2005ГОСТ Р ИСО 3926-2005ГОСТ Р ИСО 3926-2005
 




ГОСТЫ, СТРОИТЕЛЬНЫЕ и ТЕХНИЧЕСКИЕ НОРМАТИВЫ.
Некоммерческая онлайн система, содержащая все Российские Госты, национальные Стандарты и нормативы.
В Системе содержится более 150000 файлов нормативно-технической документации, действующей на территории РФ.
Система предназначена для широкого круга инженерно-технических специалистов.

Рейтинг@Mail.ru Яндекс цитирования

Copyright © www.gostrf.com, 2008 - 2026