Крупнейшая бесплатная информационно-справочная система онлайн доступа к полному собранию технических нормативно-правовых актов РФ. Огромная база технических нормативов (более 150 тысяч документов) и полное собрание национальных стандартов, аутентичное официальной базе Госстандарта. GOSTRF.com - это более 1 Терабайта бесплатной технической информации для всех пользователей интернета. Все электронные копии представленных здесь документов могут распространяться без каких-либо ограничений. Поощряется распространение информации с этого сайта на любых других ресурсах. Каждый человек имеет право на неограниченный доступ к этим документам! Каждый человек имеет право на знание требований, изложенных в данных нормативно-правовых актах!

  


 

ГОСТ 8.046-85

Государственная система обеспечения единства измерений. Головки делительные оптические. Методика поверки

Обозначение:ГОСТ 8.046-85
Текущий статус документа: заменён
Название документа рус.:Государственная система обеспечения единства измерений. Головки делительные оптические. Методика поверки
Название документа англ.:State system for ensuring the uniformity of measurements. Optical dividing heads. Verification methods
Дата актуализации текста:01.12.2013
Дата издания:27.03.1986
Дата введения:01.01.1987
Дата последнего изменения:22.05.2013
Дата окончания срока действия:01.03.2012
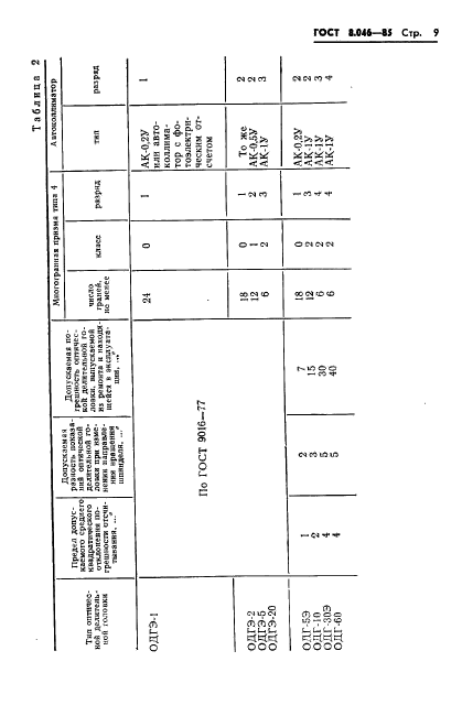
Область применения:Настоящий стандарт распространяется на оптические делительные головки по ГОСТ 9016-77, а также на отечественные и импортные оптические делительные головки, имеющие аналогичные характеристики, и устанавливает методику их первичной и периодической поверок
ГОСТ 8.046-85ГОСТ 8.046-85ГОСТ 8.046-85ГОСТ 8.046-85ГОСТ 8.046-85ГОСТ 8.046-85ГОСТ 8.046-85ГОСТ 8.046-85ГОСТ 8.046-85ГОСТ 8.046-85ГОСТ 8.046-85ГОСТ 8.046-85ГОСТ 8.046-85ГОСТ 8.046-85ГОСТ 8.046-85ГОСТ 8.046-85ГОСТ 8.046-85ГОСТ 8.046-85ГОСТ 8.046-85ГОСТ 8.046-85ГОСТ 8.046-85ГОСТ 8.046-85
 




ГОСТЫ, СТРОИТЕЛЬНЫЕ и ТЕХНИЧЕСКИЕ НОРМАТИВЫ.
Некоммерческая онлайн система, содержащая все Российские Госты, национальные Стандарты и нормативы.
В Системе содержится более 150000 файлов нормативно-технической документации, действующей на территории РФ.
Система предназначена для широкого круга инженерно-технических специалистов.

Рейтинг@Mail.ru Яндекс цитирования

Copyright © www.gostrf.com, 2008 - 2026