Крупнейшая бесплатная информационно-справочная система онлайн доступа к полному собранию технических нормативно-правовых актов РФ. Огромная база технических нормативов (более 150 тысяч документов) и полное собрание национальных стандартов, аутентичное официальной базе Госстандарта. GOSTRF.com - это более 1 Терабайта бесплатной технической информации для всех пользователей интернета. Все электронные копии представленных здесь документов могут распространяться без каких-либо ограничений. Поощряется распространение информации с этого сайта на любых других ресурсах. Каждый человек имеет право на неограниченный доступ к этим документам! Каждый человек имеет право на знание требований, изложенных в данных нормативно-правовых актах!

  


 

ГОСТ 26608-85

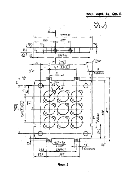
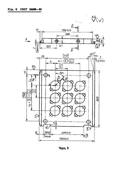
Блоки двухкассетных пресс-форм для изготовления резинотехнических изделий на прессах с размерами греющих плит 800х800 мм. Конструкция и размеры

Обозначение:ГОСТ 26608-85
Текущий статус документа: действующий
Название документа рус.:Блоки двухкассетных пресс-форм для изготовления резинотехнических изделий на прессах с размерами греющих плит 800х800 мм. Конструкция и размеры
Название документа англ.:Blocks of two-kassette press moulds for producing the rubber technical parts on presses with heating plates dimensions 800x800 mm. Design and dimensions
Дата актуализации текста:01.12.2013
Дата издания:27.11.1985
Дата введения:31.05.1987
Дата последнего изменения:22.05.2013
Область применения:Настоящий стандарт распространяется на блоки двухкассетных пресс-форм для изготовления резинотехнических изделий на вулканизационных прессах с размерами греющих плит 800х800 мм, оборудованных перезарядчиками по ГОСТ 24276-80
ГОСТ 26608-85ГОСТ 26608-85ГОСТ 26608-85ГОСТ 26608-85ГОСТ 26608-85ГОСТ 26608-85ГОСТ 26608-85ГОСТ 26608-85ГОСТ 26608-85ГОСТ 26608-85ГОСТ 26608-85ГОСТ 26608-85ГОСТ 26608-85ГОСТ 26608-85ГОСТ 26608-85
 




ГОСТЫ, СТРОИТЕЛЬНЫЕ и ТЕХНИЧЕСКИЕ НОРМАТИВЫ.
Некоммерческая онлайн система, содержащая все Российские Госты, национальные Стандарты и нормативы.
В Системе содержится более 150000 файлов нормативно-технической документации, действующей на территории РФ.
Система предназначена для широкого круга инженерно-технических специалистов.

Рейтинг@Mail.ru Яндекс цитирования

Copyright © www.gostrf.com, 2008 - 2026