Крупнейшая бесплатная информационно-справочная система онлайн доступа к полному собранию технических нормативно-правовых актов РФ. Огромная база технических нормативов (более 150 тысяч документов) и полное собрание национальных стандартов, аутентичное официальной базе Госстандарта. GOSTRF.com - это более 1 Терабайта бесплатной технической информации для всех пользователей интернета. Все электронные копии представленных здесь документов могут распространяться без каких-либо ограничений. Поощряется распространение информации с этого сайта на любых других ресурсах. Каждый человек имеет право на неограниченный доступ к этим документам! Каждый человек имеет право на знание требований, изложенных в данных нормативно-правовых актах!

  


 

ГОСТ 10284-84

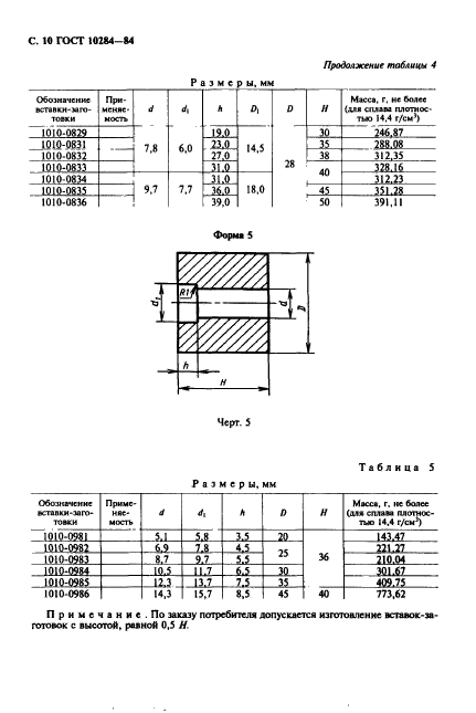
Вставки-заготовки из спеченных твердых сплавов для высадочного инструмента. Формы и размеры

Обозначение:ГОСТ 10284-84
Текущий статус документа: действующий
Название документа рус.:Вставки-заготовки из спеченных твердых сплавов для высадочного инструмента. Формы и размеры
Название документа англ.:Inserts-blanks of sintered carbide alloys for upsetting tool. Shapes and dimensions
Дата актуализации текста:01.12.2013
Дата издания:01.10.1996
Дата введения:30.06.1986
Дата последнего изменения:22.05.2013
Переиздание:переиздание с изм. 1
Область применения:Настоящий стандарт распространяется на вставки-заготовки из спеченных твердых сплавов для изготовления инструмента, предназначенного для высадки крепежных изделий стержневого типа и гаек
Список изменений:№0 от 01.10.2005 (рег. 01.10.2005) «Дата введения перенесена»
№1 от 01.12.1988 (рег. 30.05.1988) «Срок действия продлен»
№2 от 01.01.1993 (рег. 13.03.1992) «Срок действия продлен»
Приложение №1:Поправка к ГОСТ 10284-84
ГОСТ 10284-84ГОСТ 10284-84ГОСТ 10284-84ГОСТ 10284-84ГОСТ 10284-84ГОСТ 10284-84ГОСТ 10284-84ГОСТ 10284-84ГОСТ 10284-84ГОСТ 10284-84ГОСТ 10284-84ГОСТ 10284-84ГОСТ 10284-84ГОСТ 10284-84ГОСТ 10284-84ГОСТ 10284-84ГОСТ 10284-84ГОСТ 10284-84ГОСТ 10284-84ГОСТ 10284-84ГОСТ 10284-84ГОСТ 10284-84ГОСТ 10284-84ГОСТ 10284-84

Поправка к ГОСТ 10284-84

Обозначение:Поправка к ГОСТ 10284-84
Дата введения:01.10.2005


Поправка к ГОСТ 10284-84
 




ГОСТЫ, СТРОИТЕЛЬНЫЕ и ТЕХНИЧЕСКИЕ НОРМАТИВЫ.
Некоммерческая онлайн система, содержащая все Российские Госты, национальные Стандарты и нормативы.
В Системе содержится более 150000 файлов нормативно-технической документации, действующей на территории РФ.
Система предназначена для широкого круга инженерно-технических специалистов.

Рейтинг@Mail.ru Яндекс цитирования

Copyright © www.gostrf.com, 2008 - 2026