Крупнейшая бесплатная информационно-справочная система онлайн доступа к полному собранию технических нормативно-правовых актов РФ. Огромная база технических нормативов (более 150 тысяч документов) и полное собрание национальных стандартов, аутентичное официальной базе Госстандарта. GOSTRF.com - это более 1 Терабайта бесплатной технической информации для всех пользователей интернета. Все электронные копии представленных здесь документов могут распространяться без каких-либо ограничений. Поощряется распространение информации с этого сайта на любых других ресурсах. Каждый человек имеет право на неограниченный доступ к этим документам! Каждый человек имеет право на знание требований, изложенных в данных нормативно-правовых актах!

  


 

ГОСТ 3.1122-84

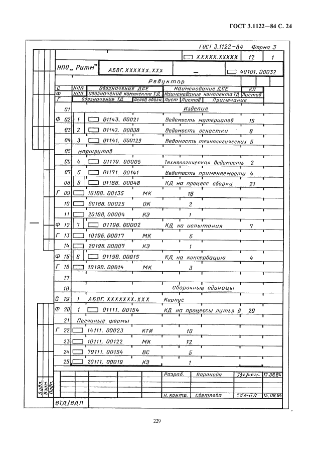
Единая система технологической документации. Формы и правила оформления документов специального назначения. Ведомости технологические

Обозначение:ГОСТ 3.1122-84
Текущий статус документа: действующий
Название документа рус.:Единая система технологической документации. Формы и правила оформления документов специального назначения. Ведомости технологические
Название документа англ.:Unified system of technological documentation. Forms and rules for filling in documents for special use. Technological registers
Дата актуализации текста:01.12.2013
Дата издания:02.05.2012
Дата введения:01.01.1986
Дата последнего изменения:22.05.2013
Переиздание:переиздание
Взамен:
Взамен в части: в части разд. 5 и 6
Область применения:Настоящий стандарт устанавливает формы и правила оформления следующих ведомостей специального назначения, применяемых в условиях технологической подготовки и управления производством и разрабатываемых с применением различных методов проектирования: ведомости применяемости деталей; ведомости технологических маршрутов; технологической ведомости; ведомости оборудования; ведомости оснастки; ведомости технологических документов; ведомости держателей подлинников
ГОСТ 3.1122-84ГОСТ 3.1122-84ГОСТ 3.1122-84ГОСТ 3.1122-84ГОСТ 3.1122-84ГОСТ 3.1122-84ГОСТ 3.1122-84ГОСТ 3.1122-84ГОСТ 3.1122-84ГОСТ 3.1122-84ГОСТ 3.1122-84ГОСТ 3.1122-84ГОСТ 3.1122-84ГОСТ 3.1122-84ГОСТ 3.1122-84ГОСТ 3.1122-84ГОСТ 3.1122-84ГОСТ 3.1122-84ГОСТ 3.1122-84ГОСТ 3.1122-84ГОСТ 3.1122-84ГОСТ 3.1122-84ГОСТ 3.1122-84ГОСТ 3.1122-84ГОСТ 3.1122-84ГОСТ 3.1122-84
 




ГОСТЫ, СТРОИТЕЛЬНЫЕ и ТЕХНИЧЕСКИЕ НОРМАТИВЫ.
Некоммерческая онлайн система, содержащая все Российские Госты, национальные Стандарты и нормативы.
В Системе содержится более 150000 файлов нормативно-технической документации, действующей на территории РФ.
Система предназначена для широкого круга инженерно-технических специалистов.

Рейтинг@Mail.ru Яндекс цитирования

Copyright © www.gostrf.com, 2008 - 2026