Крупнейшая бесплатная информационно-справочная система онлайн доступа к полному собранию технических нормативно-правовых актов РФ. Огромная база технических нормативов (более 150 тысяч документов) и полное собрание национальных стандартов, аутентичное официальной базе Госстандарта. GOSTRF.com - это более 1 Терабайта бесплатной технической информации для всех пользователей интернета. Все электронные копии представленных здесь документов могут распространяться без каких-либо ограничений. Поощряется распространение информации с этого сайта на любых других ресурсах. Каждый человек имеет право на неограниченный доступ к этим документам! Каждый человек имеет право на знание требований, изложенных в данных нормативно-правовых актах!

  


 

ГОСТ 4860.1-83

Сальники для электрических кабелей и проводов. Технические условия

Обозначение:ГОСТ 4860.1-83
Текущий статус документа: действующий
Название документа рус.:Сальники для электрических кабелей и проводов. Технические условия
Название документа англ.:Glands for electric cables and wires. Specifications
Дата актуализации текста:01.12.2013
Дата издания:01.10.1989
Дата введения:01.01.1985
Дата последнего изменения:22.05.2013
Переиздание:переиздание с изм. 1
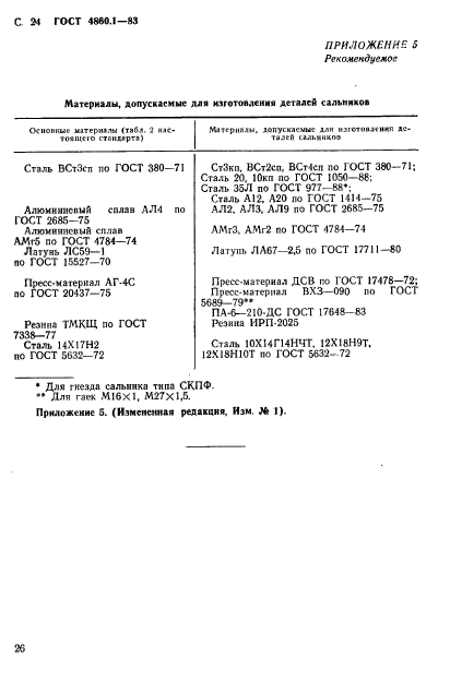
Область применения:Настоящий стандарт распространяется на сальники, устанавливаемые на корпусные конструкции, расчитанные на перепад давления 0,2 МПа (2,0 кгс/см кв.) и предназначенные для уплотнения прохода одиночных электрических кабелей и проводов.
Сальники выпускают в климатическом исполнении ОМ категорий 1 и 5 по ГОСТ 15150-69.
Стандарт не распространяется на уплотненные сальники, предназначенные для постоянной работы в воде
Список изменений:№1 от 01.03.1988 (рег. 15.10.1987) «Срок действия продлен»
ГОСТ 4860.1-83ГОСТ 4860.1-83ГОСТ 4860.1-83ГОСТ 4860.1-83ГОСТ 4860.1-83ГОСТ 4860.1-83ГОСТ 4860.1-83ГОСТ 4860.1-83ГОСТ 4860.1-83ГОСТ 4860.1-83ГОСТ 4860.1-83ГОСТ 4860.1-83ГОСТ 4860.1-83ГОСТ 4860.1-83ГОСТ 4860.1-83ГОСТ 4860.1-83ГОСТ 4860.1-83ГОСТ 4860.1-83ГОСТ 4860.1-83ГОСТ 4860.1-83ГОСТ 4860.1-83ГОСТ 4860.1-83ГОСТ 4860.1-83ГОСТ 4860.1-83ГОСТ 4860.1-83ГОСТ 4860.1-83ГОСТ 4860.1-83ГОСТ 4860.1-83ГОСТ 4860.1-83
 




ГОСТЫ, СТРОИТЕЛЬНЫЕ и ТЕХНИЧЕСКИЕ НОРМАТИВЫ.
Некоммерческая онлайн система, содержащая все Российские Госты, национальные Стандарты и нормативы.
В Системе содержится более 150000 файлов нормативно-технической документации, действующей на территории РФ.
Система предназначена для широкого круга инженерно-технических специалистов.

Рейтинг@Mail.ru Яндекс цитирования

Copyright © www.gostrf.com, 2008 - 2026