Крупнейшая бесплатная информационно-справочная система онлайн доступа к полному собранию технических нормативно-правовых актов РФ. Огромная база технических нормативов (более 150 тысяч документов) и полное собрание национальных стандартов, аутентичное официальной базе Госстандарта. GOSTRF.com - это более 1 Терабайта бесплатной технической информации для всех пользователей интернета. Все электронные копии представленных здесь документов могут распространяться без каких-либо ограничений. Поощряется распространение информации с этого сайта на любых других ресурсах. Каждый человек имеет право на неограниченный доступ к этим документам! Каждый человек имеет право на знание требований, изложенных в данных нормативно-правовых актах!

  


 

ГОСТ 8059-83

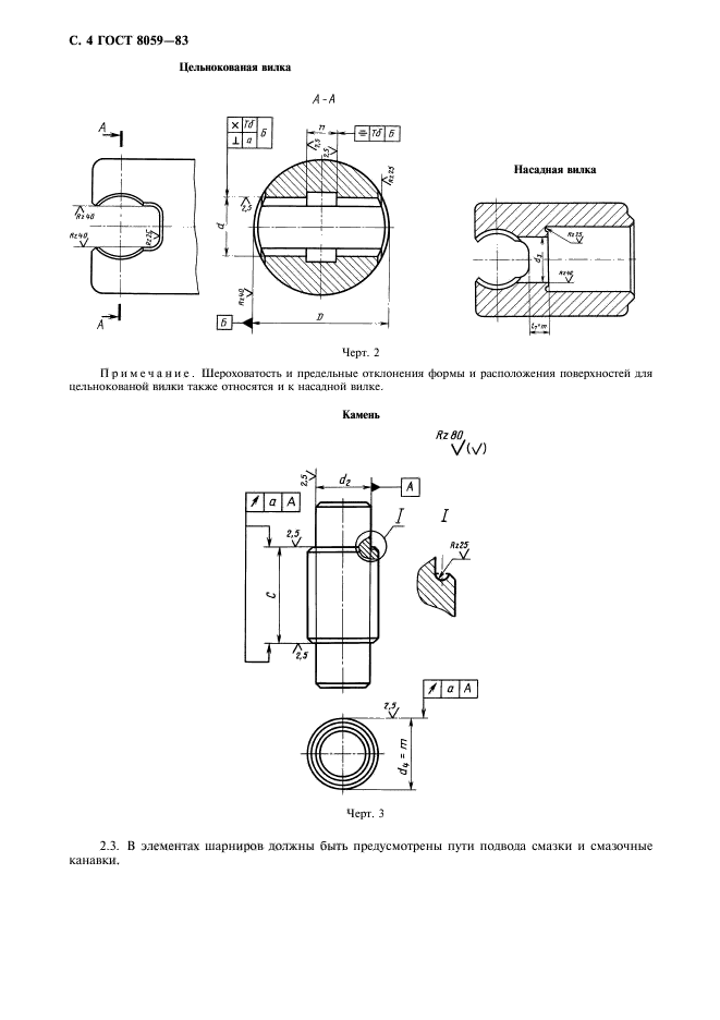
Шарниры универсальные с вкладышами скольжения для прокатного оборудования. Основные размеры. Общие технические требования

Обозначение:ГОСТ 8059-83
Текущий статус документа: действующий
Название документа рус.:Шарниры универсальные с вкладышами скольжения для прокатного оборудования. Основные размеры. Общие технические требования
Название документа англ.:Universal joints with sliding liners for rolling-mill equipment. General requirements
Дата актуализации текста:01.12.2013
Дата издания:01.11.1998
Дата введения:01.01.1985
Дата последнего изменения:22.05.2013
Переиздание:переиздание с изм. 1
Взамен:
Область применения:Настоящий стандарт распространяется на универсальные шарниры с вкладышами скольжения, применяемые для передачи вращения от привода через шпиндели к валкам рабочих клетей и другим рабочим органам машин прокатного оборудования
Список изменений:№1 от 01.07.1990 (рег. 25.12.1989) «Срок действия продлен»
ГОСТ 8059-83ГОСТ 8059-83ГОСТ 8059-83ГОСТ 8059-83ГОСТ 8059-83ГОСТ 8059-83ГОСТ 8059-83ГОСТ 8059-83ГОСТ 8059-83ГОСТ 8059-83ГОСТ 8059-83ГОСТ 8059-83
 




ГОСТЫ, СТРОИТЕЛЬНЫЕ и ТЕХНИЧЕСКИЕ НОРМАТИВЫ.
Некоммерческая онлайн система, содержащая все Российские Госты, национальные Стандарты и нормативы.
В Системе содержится более 150000 файлов нормативно-технической документации, действующей на территории РФ.
Система предназначена для широкого круга инженерно-технических специалистов.

Рейтинг@Mail.ru Яндекс цитирования

Copyright © www.gostrf.com, 2008 - 2026