Крупнейшая бесплатная информационно-справочная система онлайн доступа к полному собранию технических нормативно-правовых актов РФ. Огромная база технических нормативов (более 150 тысяч документов) и полное собрание национальных стандартов, аутентичное официальной базе Госстандарта. GOSTRF.com - это более 1 Терабайта бесплатной технической информации для всех пользователей интернета. Все электронные копии представленных здесь документов могут распространяться без каких-либо ограничений. Поощряется распространение информации с этого сайта на любых других ресурсах. Каждый человек имеет право на неограниченный доступ к этим документам! Каждый человек имеет право на знание требований, изложенных в данных нормативно-правовых актах!

  


 

ГОСТ 21744-83

Сильфоны многослойные металлические. Общие технические условия

Обозначение:ГОСТ 21744-83
Текущий статус документа: утратил силу в РФ
Название документа рус.:Сильфоны многослойные металлические. Общие технические условия
Название документа англ.:Multilayer metal bellows. General specifications
Дата актуализации текста:01.12.2013
Дата издания:01.12.1989
Дата введения:30.06.1984
Дата последнего изменения:20.06.2013
Дата окончания срока действия:01.05.2013
Переиздание:переиздание с изм. 1
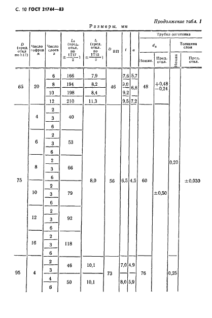
Область применения:Настоящий стандарт распространяется на многослойные металлические сильфоны, предназначенные для работы в качестве разделителей сред, уплотнительных элементов, а также элементов силового узла в средах, не вызывающих коррозии материала, при температуре от 13 К (минус 260 град. С) до 823 К (плюс 550 град. С), изготовляемые для нужд народного хозяйства
Список изменений:№0 от 01.05.2013 (рег. 24.09.2012) «Поправка к изменению»
№1 от 01.10.1988 (рег. 25.03.1988) «Поправка»
ГОСТ 21744-83ГОСТ 21744-83ГОСТ 21744-83ГОСТ 21744-83ГОСТ 21744-83ГОСТ 21744-83ГОСТ 21744-83ГОСТ 21744-83ГОСТ 21744-83ГОСТ 21744-83ГОСТ 21744-83ГОСТ 21744-83ГОСТ 21744-83ГОСТ 21744-83ГОСТ 21744-83ГОСТ 21744-83ГОСТ 21744-83ГОСТ 21744-83ГОСТ 21744-83ГОСТ 21744-83ГОСТ 21744-83ГОСТ 21744-83ГОСТ 21744-83ГОСТ 21744-83ГОСТ 21744-83ГОСТ 21744-83ГОСТ 21744-83ГОСТ 21744-83ГОСТ 21744-83ГОСТ 21744-83ГОСТ 21744-83ГОСТ 21744-83ГОСТ 21744-83ГОСТ 21744-83ГОСТ 21744-83ГОСТ 21744-83ГОСТ 21744-83ГОСТ 21744-83ГОСТ 21744-83ГОСТ 21744-83ГОСТ 21744-83ГОСТ 21744-83ГОСТ 21744-83ГОСТ 21744-83ГОСТ 21744-83ГОСТ 21744-83ГОСТ 21744-83ГОСТ 21744-83ГОСТ 21744-83ГОСТ 21744-83ГОСТ 21744-83ГОСТ 21744-83ГОСТ 21744-83ГОСТ 21744-83ГОСТ 21744-83ГОСТ 21744-83ГОСТ 21744-83ГОСТ 21744-83ГОСТ 21744-83ГОСТ 21744-83ГОСТ 21744-83ГОСТ 21744-83ГОСТ 21744-83ГОСТ 21744-83ГОСТ 21744-83ГОСТ 21744-83ГОСТ 21744-83ГОСТ 21744-83ГОСТ 21744-83ГОСТ 21744-83ГОСТ 21744-83ГОСТ 21744-83ГОСТ 21744-83
 




ГОСТЫ, СТРОИТЕЛЬНЫЕ и ТЕХНИЧЕСКИЕ НОРМАТИВЫ.
Некоммерческая онлайн система, содержащая все Российские Госты, национальные Стандарты и нормативы.
В Системе содержится более 150000 файлов нормативно-технической документации, действующей на территории РФ.
Система предназначена для широкого круга инженерно-технических специалистов.

Рейтинг@Mail.ru Яндекс цитирования

Copyright © www.gostrf.com, 2008 - 2026