Крупнейшая бесплатная информационно-справочная система онлайн доступа к полному собранию технических нормативно-правовых актов РФ. Огромная база технических нормативов (более 150 тысяч документов) и полное собрание национальных стандартов, аутентичное официальной базе Госстандарта. GOSTRF.com - это более 1 Терабайта бесплатной технической информации для всех пользователей интернета. Все электронные копии представленных здесь документов могут распространяться без каких-либо ограничений. Поощряется распространение информации с этого сайта на любых других ресурсах. Каждый человек имеет право на неограниченный доступ к этим документам! Каждый человек имеет право на знание требований, изложенных в данных нормативно-правовых актах!

  


 

ГОСТ 21557-83

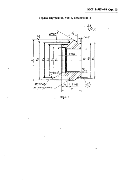
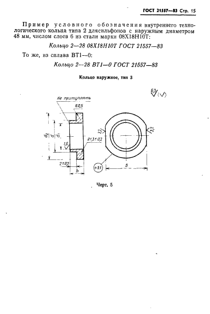
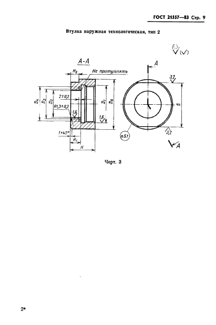
Втулки и кольца соединительные для металлических сильфонов. Общие технические условия

Обозначение:ГОСТ 21557-83
Текущий статус документа: действующий
Название документа рус.:Втулки и кольца соединительные для металлических сильфонов. Общие технические условия
Название документа англ.:The bushings and rings for metallic bellows. General specifications
Дата актуализации текста:01.12.2013
Дата издания:09.09.1983
Дата введения:30.06.1984
Дата последнего изменения:22.05.2013
Область применения:Настоящий стандарт распространяется на соединительные втулки и кольца для многослойных металлических сильфонов, которые используются для соединения сильфонов с сопрягаемыми деталями или для технологических целей при формовании многослойных сильфонов с последующей срезкой
Список изменений:№1 от 01.10.1988 (рег. 25.03.1988) «Поправка»
ГОСТ 21557-83ГОСТ 21557-83ГОСТ 21557-83ГОСТ 21557-83ГОСТ 21557-83ГОСТ 21557-83ГОСТ 21557-83ГОСТ 21557-83ГОСТ 21557-83ГОСТ 21557-83ГОСТ 21557-83ГОСТ 21557-83ГОСТ 21557-83ГОСТ 21557-83ГОСТ 21557-83ГОСТ 21557-83ГОСТ 21557-83ГОСТ 21557-83ГОСТ 21557-83ГОСТ 21557-83ГОСТ 21557-83ГОСТ 21557-83ГОСТ 21557-83ГОСТ 21557-83ГОСТ 21557-83ГОСТ 21557-83ГОСТ 21557-83ГОСТ 21557-83ГОСТ 21557-83ГОСТ 21557-83ГОСТ 21557-83ГОСТ 21557-83ГОСТ 21557-83ГОСТ 21557-83ГОСТ 21557-83ГОСТ 21557-83ГОСТ 21557-83ГОСТ 21557-83ГОСТ 21557-83ГОСТ 21557-83ГОСТ 21557-83
 




ГОСТЫ, СТРОИТЕЛЬНЫЕ и ТЕХНИЧЕСКИЕ НОРМАТИВЫ.
Некоммерческая онлайн система, содержащая все Российские Госты, национальные Стандарты и нормативы.
В Системе содержится более 150000 файлов нормативно-технической документации, действующей на территории РФ.
Система предназначена для широкого круга инженерно-технических специалистов.

Рейтинг@Mail.ru Яндекс цитирования

Copyright © www.gostrf.com, 2008 - 2026