Крупнейшая бесплатная информационно-справочная система онлайн доступа к полному собранию технических нормативно-правовых актов РФ. Огромная база технических нормативов (более 150 тысяч документов) и полное собрание национальных стандартов, аутентичное официальной базе Госстандарта. GOSTRF.com - это более 1 Терабайта бесплатной технической информации для всех пользователей интернета. Все электронные копии представленных здесь документов могут распространяться без каких-либо ограничений. Поощряется распространение информации с этого сайта на любых других ресурсах. Каждый человек имеет право на неограниченный доступ к этим документам! Каждый человек имеет право на знание требований, изложенных в данных нормативно-правовых актах!

  


 

ГОСТ 25165-82

Соединения приборов и устройств ГСП с внешними пневматическими линиями. Типы, основные параметры и размеры. Технические требования

Обозначение:ГОСТ 25165-82
Текущий статус документа: действующий
Название документа рус.:Соединения приборов и устройств ГСП с внешними пневматическими линиями. Типы, основные параметры и размеры. Технические требования
Название документа англ.:Connections of SSI instruments and devices with external pneumatic lines. Types, basic parameters and dimensions. Technical requirements
Дата актуализации текста:01.12.2013
Дата издания:01.10.1984
Дата введения:30.06.1983
Дата последнего изменения:22.05.2013
Переиздание:переиздание с изм. 1
Взамен в части: в части соединений с внешними пневматическими линиями
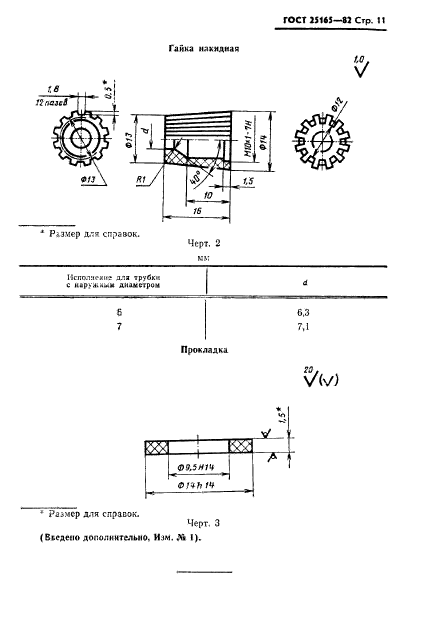
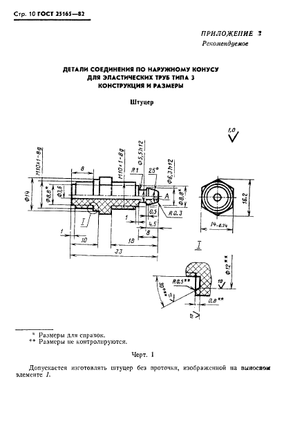
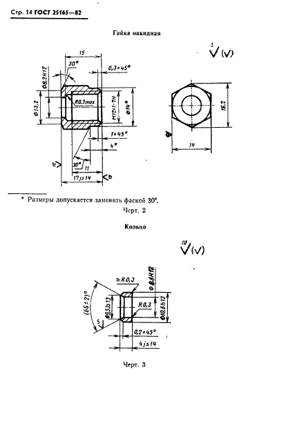
Область применения:Настоящий стандарт распространяется на соединения приборов и устройств Государственной системы промышленных приборов и средств автоматизации (ГСП) с внешними трубопроводами, предназначенными для передачи пневматических сигналов и энергии питания.
Стандарт устанавливает типы, основные параметры и размеры гнезд и соединений, а также технические требования к ним.
Стандарт не распространяется на соединения элементов и блоков пневмоавтоматики, монтируемых внутри корпуса прибора или шкафа и не имеющих непосредственной стыковки с внешними командными и питающими линиями связи, а также на соединения с внешними трубопроводами с условными проходами менее 4 мм
Список изменений:№1 от 01.01.1986 (рег. 24.09.1984) «Срок действия продлен»
№2 от 01.07.1988 (рег. 16.07.1987) «Срок действия продлен»
ГОСТ 25165-82ГОСТ 25165-82ГОСТ 25165-82ГОСТ 25165-82ГОСТ 25165-82ГОСТ 25165-82ГОСТ 25165-82ГОСТ 25165-82ГОСТ 25165-82ГОСТ 25165-82ГОСТ 25165-82ГОСТ 25165-82ГОСТ 25165-82ГОСТ 25165-82ГОСТ 25165-82ГОСТ 25165-82ГОСТ 25165-82ГОСТ 25165-82ГОСТ 25165-82
 




ГОСТЫ, СТРОИТЕЛЬНЫЕ и ТЕХНИЧЕСКИЕ НОРМАТИВЫ.
Некоммерческая онлайн система, содержащая все Российские Госты, национальные Стандарты и нормативы.
В Системе содержится более 150000 файлов нормативно-технической документации, действующей на территории РФ.
Система предназначена для широкого круга инженерно-технических специалистов.

Рейтинг@Mail.ru Яндекс цитирования

Copyright © www.gostrf.com, 2008 - 2026