Крупнейшая бесплатная информационно-справочная система онлайн доступа к полному собранию технических нормативно-правовых актов РФ. Огромная база технических нормативов (более 150 тысяч документов) и полное собрание национальных стандартов, аутентичное официальной базе Госстандарта. GOSTRF.com - это более 1 Терабайта бесплатной технической информации для всех пользователей интернета. Все электронные копии представленных здесь документов могут распространяться без каких-либо ограничений. Поощряется распространение информации с этого сайта на любых других ресурсах. Каждый человек имеет право на неограниченный доступ к этим документам! Каждый человек имеет право на знание требований, изложенных в данных нормативно-правовых актах!

  


 

ГОСТ 8074-82

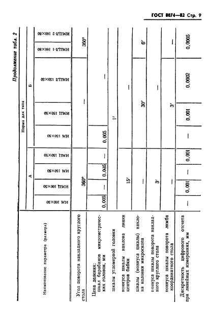
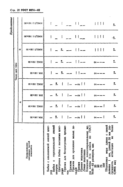
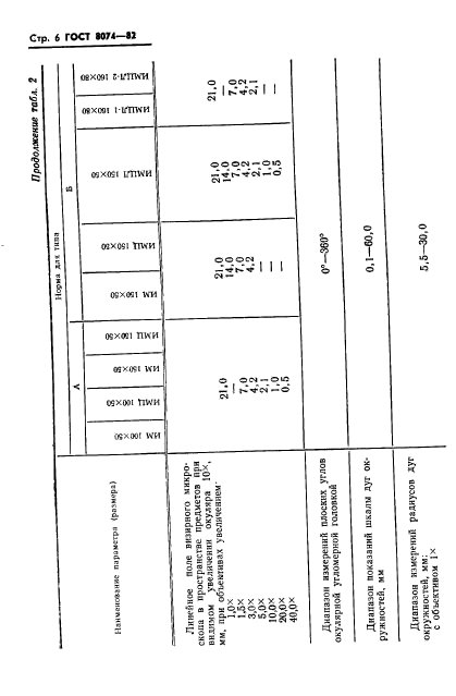
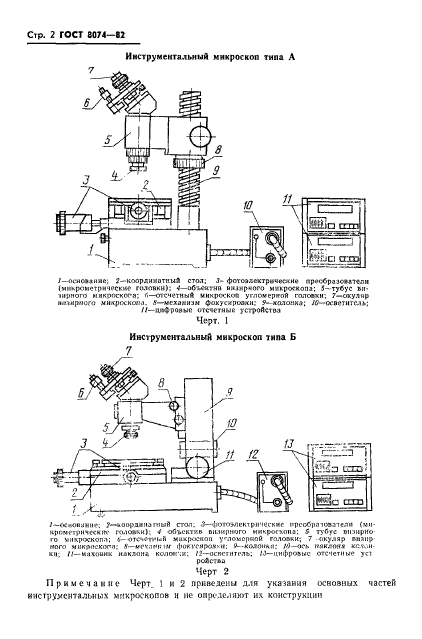
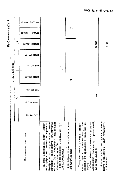
Микроскопы инструментальные. Типы, основные параметры и размеры. Технические требования

Обозначение:ГОСТ 8074-82
Текущий статус документа: действующий
Название документа рус.:Микроскопы инструментальные. Типы, основные параметры и размеры. Технические требования
Название документа англ.:Toolmaker's microscopes. Types, main parameters and dimensions. Technical requirements
Дата актуализации текста:01.12.2013
Дата издания:01.07.1986
Дата введения:01.01.1984
Дата последнего изменения:22.05.2013
Переиздание:переиздание с изм. 1
Область применения:Настоящий стандарт распространяется на инструментальные микроскопы, предназначенные для измерения наружных и внутренних линейных и угловых размеров изделий в прямоугольных и полярных координатах (резьбовых изделий, режущего инструмента, профильных шаблонов, лекал, кулачков, конусов, метчиков, резьбонарезных гребенок)
Список изменений:№1 от 01.09.1986 (рег. 21.04.1986) «Срок действия продлен»
ГОСТ 8074-82ГОСТ 8074-82ГОСТ 8074-82ГОСТ 8074-82ГОСТ 8074-82ГОСТ 8074-82ГОСТ 8074-82ГОСТ 8074-82ГОСТ 8074-82ГОСТ 8074-82ГОСТ 8074-82ГОСТ 8074-82ГОСТ 8074-82ГОСТ 8074-82ГОСТ 8074-82ГОСТ 8074-82ГОСТ 8074-82ГОСТ 8074-82ГОСТ 8074-82ГОСТ 8074-82ГОСТ 8074-82ГОСТ 8074-82ГОСТ 8074-82
 




ГОСТЫ, СТРОИТЕЛЬНЫЕ и ТЕХНИЧЕСКИЕ НОРМАТИВЫ.
Некоммерческая онлайн система, содержащая все Российские Госты, национальные Стандарты и нормативы.
В Системе содержится более 150000 файлов нормативно-технической документации, действующей на территории РФ.
Система предназначена для широкого круга инженерно-технических специалистов.

Рейтинг@Mail.ru Яндекс цитирования

Copyright © www.gostrf.com, 2008 - 2026