Крупнейшая бесплатная информационно-справочная система онлайн доступа к полному собранию технических нормативно-правовых актов РФ. Огромная база технических нормативов (более 150 тысяч документов) и полное собрание национальных стандартов, аутентичное официальной базе Госстандарта. GOSTRF.com - это более 1 Терабайта бесплатной технической информации для всех пользователей интернета. Все электронные копии представленных здесь документов могут распространяться без каких-либо ограничений. Поощряется распространение информации с этого сайта на любых других ресурсах. Каждый человек имеет право на неограниченный доступ к этим документам! Каждый человек имеет право на знание требований, изложенных в данных нормативно-правовых актах!

  


 

ГОСТ 21467-81

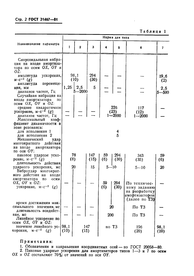
Амортизаторы бортового оборудования летательных аппаратов. Типы, основные параметры, размеры и технические требования

Обозначение:ГОСТ 21467-81
Текущий статус документа: действующий
Название документа рус.:Амортизаторы бортового оборудования летательных аппаратов. Типы, основные параметры, размеры и технические требования
Название документа англ.:Vehicle airborne equipment shock absorbers. Types, main characteristics, dimensions and technical requirements
Дата актуализации текста:01.12.2013
Дата издания:16.11.1981
Дата введения:30.06.1982
Дата последнего изменения:22.05.2013
Область применения:Настоящий стандарт устанавливает типы, основные параметры, размеры и технические требования к амортизаторам бортового оборудования летательных аппаратов, предназначенным для защиты бортового оборудования от воздействия вибрации и ударов, действующих в любом направлении.
Стандарт не распространяется на амортизаторы космических аппаратов (искусственные спутники, межпланетные станции, орбитальные корабли и станции и т.д.)
Список изменений:№1 от 01.07.1987 (рег. 19.03.1987) «Срок действия продлен»
ГОСТ 21467-81ГОСТ 21467-81ГОСТ 21467-81ГОСТ 21467-81ГОСТ 21467-81ГОСТ 21467-81ГОСТ 21467-81ГОСТ 21467-81ГОСТ 21467-81ГОСТ 21467-81ГОСТ 21467-81
 




ГОСТЫ, СТРОИТЕЛЬНЫЕ и ТЕХНИЧЕСКИЕ НОРМАТИВЫ.
Некоммерческая онлайн система, содержащая все Российские Госты, национальные Стандарты и нормативы.
В Системе содержится более 150000 файлов нормативно-технической документации, действующей на территории РФ.
Система предназначена для широкого круга инженерно-технических специалистов.

Рейтинг@Mail.ru Яндекс цитирования

Copyright © www.gostrf.com, 2008 - 2026