Крупнейшая бесплатная информационно-справочная система онлайн доступа к полному собранию технических нормативно-правовых актов РФ. Огромная база технических нормативов (более 150 тысяч документов) и полное собрание национальных стандартов, аутентичное официальной базе Госстандарта. GOSTRF.com - это более 1 Терабайта бесплатной технической информации для всех пользователей интернета. Все электронные копии представленных здесь документов могут распространяться без каких-либо ограничений. Поощряется распространение информации с этого сайта на любых других ресурсах. Каждый человек имеет право на неограниченный доступ к этим документам! Каждый человек имеет право на знание требований, изложенных в данных нормативно-правовых актах!

  


 

ГОСТ 1758-81

Основные нормы взаимозаменяемости. Передачи зубчатые конические и гипоидные. Допуски

Обозначение:ГОСТ 1758-81
Текущий статус документа: действующий
Название документа рус.:Основные нормы взаимозаменяемости. Передачи зубчатые конические и гипоидные. Допуски
Название документа англ.:Basic norms of interchangeability. Bevel and hyppoid gears. Tolerances
Дата актуализации текста:01.12.2013
Дата издания:01.01.1987
Дата введения:01.01.1982
Дата последнего изменения:22.05.2013
Переиздание:переиздание
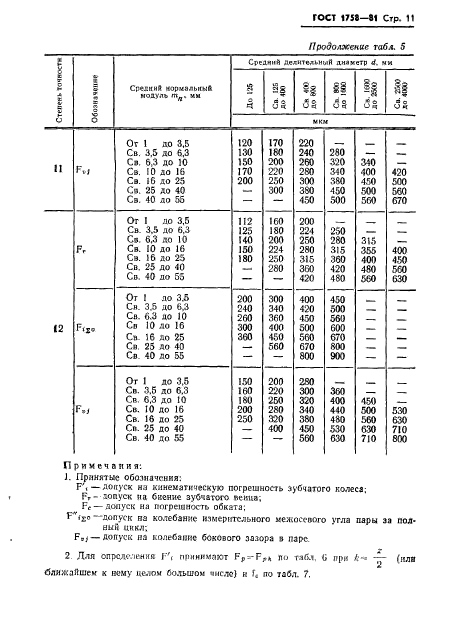
Область применения:Настоящий стандарт распространяется на конические и гипоидные зубчатые передачи и пары внешнего зацепления с прямыми, тангенциальными и криволинейными зубьями со средним делительным диаметром зубчатых колес от 4000 мм, средним нормальным модулем от 1 до 55 мм с прямолинейным профилем исходного контура и номинальным углом его профиля 20 град.
ГОСТ 1758-81ГОСТ 1758-81ГОСТ 1758-81ГОСТ 1758-81ГОСТ 1758-81ГОСТ 1758-81ГОСТ 1758-81ГОСТ 1758-81ГОСТ 1758-81ГОСТ 1758-81ГОСТ 1758-81ГОСТ 1758-81ГОСТ 1758-81ГОСТ 1758-81ГОСТ 1758-81ГОСТ 1758-81ГОСТ 1758-81ГОСТ 1758-81ГОСТ 1758-81ГОСТ 1758-81ГОСТ 1758-81ГОСТ 1758-81ГОСТ 1758-81ГОСТ 1758-81ГОСТ 1758-81ГОСТ 1758-81ГОСТ 1758-81ГОСТ 1758-81ГОСТ 1758-81ГОСТ 1758-81ГОСТ 1758-81ГОСТ 1758-81ГОСТ 1758-81ГОСТ 1758-81ГОСТ 1758-81ГОСТ 1758-81ГОСТ 1758-81ГОСТ 1758-81ГОСТ 1758-81ГОСТ 1758-81ГОСТ 1758-81ГОСТ 1758-81ГОСТ 1758-81
 




ГОСТЫ, СТРОИТЕЛЬНЫЕ и ТЕХНИЧЕСКИЕ НОРМАТИВЫ.
Некоммерческая онлайн система, содержащая все Российские Госты, национальные Стандарты и нормативы.
В Системе содержится более 150000 файлов нормативно-технической документации, действующей на территории РФ.
Система предназначена для широкого круга инженерно-технических специалистов.

Рейтинг@Mail.ru Яндекс цитирования

Copyright © www.gostrf.com, 2008 - 2026