Крупнейшая бесплатная информационно-справочная система онлайн доступа к полному собранию технических нормативно-правовых актов РФ. Огромная база технических нормативов (более 150 тысяч документов) и полное собрание национальных стандартов, аутентичное официальной базе Госстандарта. GOSTRF.com - это более 1 Терабайта бесплатной технической информации для всех пользователей интернета. Все электронные копии представленных здесь документов могут распространяться без каких-либо ограничений. Поощряется распространение информации с этого сайта на любых других ресурсах. Каждый человек имеет право на неограниченный доступ к этим документам! Каждый человек имеет право на знание требований, изложенных в данных нормативно-правовых актах!

  


 

ГОСТ 11700-80

Станции смазочные двухмагистральные. Технические условия

Обозначение:ГОСТ 11700-80
Текущий статус документа: действующий
Название документа рус.:Станции смазочные двухмагистральные. Технические условия
Название документа англ.:Two-line lubricating stations. Specifications
Дата актуализации текста:01.12.2013
Дата издания:01.11.1998
Дата введения:01.01.1982
Дата последнего изменения:22.05.2013
Переиздание:переиздание с изм. 1
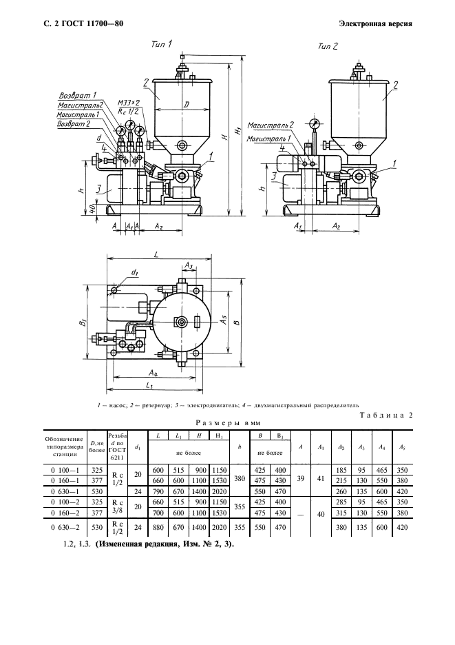
Область применения:Настоящий стандарт устанавливает требования к двухмагистральным смазочным станциям с электрическим приводом, предназначенным для поочередного нагнетания пластичных смазочных материалов с числом пенетрации не ниже 260 при температуре 25 град. С и вязкостью при 0 град. С и среднем градиенте скорости деформации 10 с в степени минус 1 не более 2500 П, отфильтрованных от частиц размером более 0,25 мм в магистрали централизованных смазочных систем объемного дозирования с автоматическим контролем подачи при температуре окружающей среды и смазочного материала от 5 до 40 град. С, изготовляемым для нужд народного хозяйства и экспорта
Список изменений:№1 от 01.05.1985 (рег. 16.11.1984) «Срок действия продлен»
№2 от 01.06.1987 (рег. 18.12.1986) «Срок действия продлен»
№3 от 01.08.1988 (рег. 21.03.1988) «Срок действия продлен»
ГОСТ 11700-80ГОСТ 11700-80ГОСТ 11700-80ГОСТ 11700-80ГОСТ 11700-80ГОСТ 11700-80ГОСТ 11700-80ГОСТ 11700-80
 




ГОСТЫ, СТРОИТЕЛЬНЫЕ и ТЕХНИЧЕСКИЕ НОРМАТИВЫ.
Некоммерческая онлайн система, содержащая все Российские Госты, национальные Стандарты и нормативы.
В Системе содержится более 150000 файлов нормативно-технической документации, действующей на территории РФ.
Система предназначена для широкого круга инженерно-технических специалистов.

Рейтинг@Mail.ru Яндекс цитирования

Copyright © www.gostrf.com, 2008 - 2026