Крупнейшая бесплатная информационно-справочная система онлайн доступа к полному собранию технических нормативно-правовых актов РФ. Огромная база технических нормативов (более 150 тысяч документов) и полное собрание национальных стандартов, аутентичное официальной базе Госстандарта. GOSTRF.com - это более 1 Терабайта бесплатной технической информации для всех пользователей интернета. Все электронные копии представленных здесь документов могут распространяться без каких-либо ограничений. Поощряется распространение информации с этого сайта на любых других ресурсах. Каждый человек имеет право на неограниченный доступ к этим документам! Каждый человек имеет право на знание требований, изложенных в данных нормативно-правовых актах!

  


 

ГОСТ 20249-80

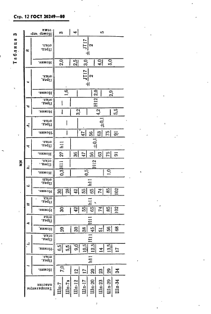
Пластины и магнитопроводы пластинчатые для трансформаторов и дросселей. Типы и основные размеры

Обозначение:ГОСТ 20249-80
Текущий статус документа: действующий
Название документа рус.:Пластины и магнитопроводы пластинчатые для трансформаторов и дросселей. Типы и основные размеры
Название документа англ.: Plates and platemade magnetoframes designed for transformers and throttles. Types and main dimensions
Дата актуализации текста:01.12.2013
Дата издания:01.09.1984
Дата введения:01.01.1982
Дата последнего изменения:22.05.2013
Переиздание:переиздание с изм. 1
Область применения:Настоящий стандарт распространяется на пластины и пластинчатые магнитопроводы из электротехнических сталей и ферромагнитных сплавов, применяемые в трансформаторах и дросселях радиоэлектронной аппаратуры и аппаратуры проводной связи.
Стандарт не распространяется на пластины и пластинчатые магнитопроводы с шириной среднего и боковых стержней более 40 мм
Список изменений:№1 от 01.09.1984 (рег. 16.05.1984) «Срок действия продлен»
№2 от 01.11.1990 (рег. 30.03.1990) «Срок действия продлен»
ГОСТ 20249-80ГОСТ 20249-80ГОСТ 20249-80ГОСТ 20249-80ГОСТ 20249-80ГОСТ 20249-80ГОСТ 20249-80ГОСТ 20249-80ГОСТ 20249-80ГОСТ 20249-80ГОСТ 20249-80ГОСТ 20249-80ГОСТ 20249-80ГОСТ 20249-80ГОСТ 20249-80ГОСТ 20249-80ГОСТ 20249-80ГОСТ 20249-80ГОСТ 20249-80ГОСТ 20249-80ГОСТ 20249-80ГОСТ 20249-80ГОСТ 20249-80ГОСТ 20249-80ГОСТ 20249-80ГОСТ 20249-80ГОСТ 20249-80ГОСТ 20249-80ГОСТ 20249-80ГОСТ 20249-80ГОСТ 20249-80
 




ГОСТЫ, СТРОИТЕЛЬНЫЕ и ТЕХНИЧЕСКИЕ НОРМАТИВЫ.
Некоммерческая онлайн система, содержащая все Российские Госты, национальные Стандарты и нормативы.
В Системе содержится более 150000 файлов нормативно-технической документации, действующей на территории РФ.
Система предназначена для широкого круга инженерно-технических специалистов.

Рейтинг@Mail.ru Яндекс цитирования

Copyright © www.gostrf.com, 2008 - 2026