Крупнейшая бесплатная информационно-справочная система онлайн доступа к полному собранию технических нормативно-правовых актов РФ. Огромная база технических нормативов (более 150 тысяч документов) и полное собрание национальных стандартов, аутентичное официальной базе Госстандарта. GOSTRF.com - это более 1 Терабайта бесплатной технической информации для всех пользователей интернета. Все электронные копии представленных здесь документов могут распространяться без каких-либо ограничений. Поощряется распространение информации с этого сайта на любых других ресурсах. Каждый человек имеет право на неограниченный доступ к этим документам! Каждый человек имеет право на знание требований, изложенных в данных нормативно-правовых актах!

  


 

ГОСТ 23846-79

Вагоны рефрижераторные магистральных железных дорог колеи 1520 (1524) мм. Покрытия лакокрасочные. Технические условия

Обозначение:ГОСТ 23846-79
Текущий статус документа: действующий
Название документа рус.:Вагоны рефрижераторные магистральных железных дорог колеи 1520 (1524) мм. Покрытия лакокрасочные. Технические условия
Название документа англ.:Refrigerator cors for main railways of 1520 (1524) mm gauge. Paint coatings. Specifications
Дата актуализации текста:01.12.2013
Дата издания:01.02.1985
Дата введения:01.01.1981
Дата последнего изменения:22.05.2013
Переиздание:переиздание с изм. 1
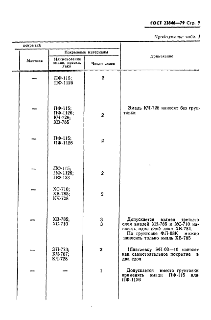
Область применения:Настоящий стандарт устанавливает технические требования к получению лакокрасочных покрытий на деталях, сборочных единицах и агрегатах строящихся рефрижераторных вагонов, предназначенных для эксплуатации в умеренном макроклиматическом райоен, категориях размещения 1, 2, 3 по ГОСТ 15150-69, на магистральных железных дорогах колеи 1520 (1524) мм
Список изменений:№1 от 01.10.1983 (рег. 26.05.1983) «Срок действия продлен»
№2 от 01.09.1985 (рег. 21.03.1985) «Срок действия продлен»
№3 от 01.01.1991 (рег. 25.05.1990) «Срок действия продлен»
ГОСТ 23846-79ГОСТ 23846-79ГОСТ 23846-79ГОСТ 23846-79ГОСТ 23846-79ГОСТ 23846-79ГОСТ 23846-79ГОСТ 23846-79ГОСТ 23846-79ГОСТ 23846-79ГОСТ 23846-79ГОСТ 23846-79ГОСТ 23846-79ГОСТ 23846-79ГОСТ 23846-79ГОСТ 23846-79ГОСТ 23846-79ГОСТ 23846-79ГОСТ 23846-79ГОСТ 23846-79ГОСТ 23846-79ГОСТ 23846-79ГОСТ 23846-79ГОСТ 23846-79
 




ГОСТЫ, СТРОИТЕЛЬНЫЕ и ТЕХНИЧЕСКИЕ НОРМАТИВЫ.
Некоммерческая онлайн система, содержащая все Российские Госты, национальные Стандарты и нормативы.
В Системе содержится более 150000 файлов нормативно-технической документации, действующей на территории РФ.
Система предназначена для широкого круга инженерно-технических специалистов.

Рейтинг@Mail.ru Яндекс цитирования

Copyright © www.gostrf.com, 2008 - 2026