Крупнейшая бесплатная информационно-справочная система онлайн доступа к полному собранию технических нормативно-правовых актов РФ. Огромная база технических нормативов (более 150 тысяч документов) и полное собрание национальных стандартов, аутентичное официальной базе Госстандарта. GOSTRF.com - это более 1 Терабайта бесплатной технической информации для всех пользователей интернета. Все электронные копии представленных здесь документов могут распространяться без каких-либо ограничений. Поощряется распространение информации с этого сайта на любых других ресурсах. Каждый человек имеет право на неограниченный доступ к этим документам! Каждый человек имеет право на знание требований, изложенных в данных нормативно-правовых актах!

  


 

ГОСТ 6533-78

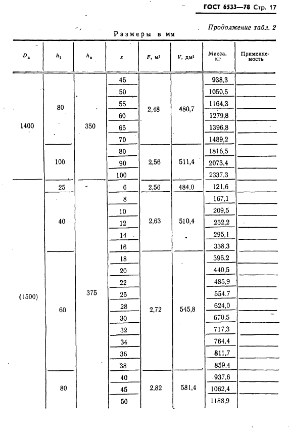
Днища эллиптические отбортованные стальные для сосудов, аппаратов и котлов. Основные размеры

Обозначение:ГОСТ 6533-78
Текущий статус документа: действующий
Название документа рус.:Днища эллиптические отбортованные стальные для сосудов, аппаратов и котлов. Основные размеры
Название документа англ.:Ellipsoidaldished heads flanged made of steel for vess els apparatus and boilers. Basis dimensions
Дата актуализации текста:01.12.2013
Дата издания:01.03.1985
Дата введения:01.01.1970
Дата последнего изменения:22.05.2013
Переиздание:переиздание с изм. 1
Область применения:Настоящий стандарт распространяется на эллиптические отбортованные днища из углеродистых, легированных и двухслойных сталей с толщиной стенки от 4 до 120 мм для сосудов, аппаратов и котлов диаметром от 133 до 4500 мм
Список изменений:№1 от 01.11.1984 (рег. 28.06.1984) «Срок действия продлен»
№2 от 01.09.1989 (рег. 27.02.1989) «Поправка»
ГОСТ 6533-78ГОСТ 6533-78ГОСТ 6533-78ГОСТ 6533-78ГОСТ 6533-78ГОСТ 6533-78ГОСТ 6533-78ГОСТ 6533-78ГОСТ 6533-78ГОСТ 6533-78ГОСТ 6533-78ГОСТ 6533-78ГОСТ 6533-78ГОСТ 6533-78ГОСТ 6533-78ГОСТ 6533-78ГОСТ 6533-78ГОСТ 6533-78ГОСТ 6533-78ГОСТ 6533-78ГОСТ 6533-78ГОСТ 6533-78ГОСТ 6533-78ГОСТ 6533-78ГОСТ 6533-78ГОСТ 6533-78ГОСТ 6533-78ГОСТ 6533-78ГОСТ 6533-78ГОСТ 6533-78ГОСТ 6533-78ГОСТ 6533-78ГОСТ 6533-78ГОСТ 6533-78ГОСТ 6533-78ГОСТ 6533-78ГОСТ 6533-78ГОСТ 6533-78ГОСТ 6533-78
 




ГОСТЫ, СТРОИТЕЛЬНЫЕ и ТЕХНИЧЕСКИЕ НОРМАТИВЫ.
Некоммерческая онлайн система, содержащая все Российские Госты, национальные Стандарты и нормативы.
В Системе содержится более 150000 файлов нормативно-технической документации, действующей на территории РФ.
Система предназначена для широкого круга инженерно-технических специалистов.

Рейтинг@Mail.ru Яндекс цитирования

Copyright © www.gostrf.com, 2008 - 2026