Крупнейшая бесплатная информационно-справочная система онлайн доступа к полному собранию технических нормативно-правовых актов РФ. Огромная база технических нормативов (более 150 тысяч документов) и полное собрание национальных стандартов, аутентичное официальной базе Госстандарта. GOSTRF.com - это более 1 Терабайта бесплатной технической информации для всех пользователей интернета. Все электронные копии представленных здесь документов могут распространяться без каких-либо ограничений. Поощряется распространение информации с этого сайта на любых других ресурсах. Каждый человек имеет право на неограниченный доступ к этим документам! Каждый человек имеет право на знание требований, изложенных в данных нормативно-правовых актах!

  


 

ГОСТ 10506-76

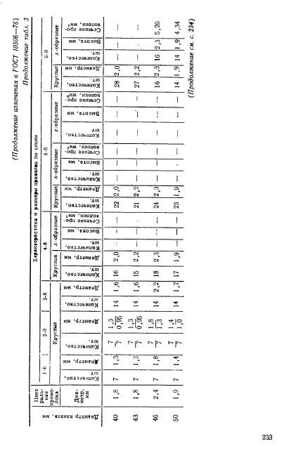
Канаты стальные закрытые подъемные. Сортамент

Обозначение:ГОСТ 10506-76
Текущий статус документа: действующий
Название документа рус.:Канаты стальные закрытые подъемные. Сортамент
Название документа англ.:Hoist closed wire ropes. Assortment
Дата актуализации текста:01.12.2013
Дата издания:01.10.1986
Дата введения:01.01.1978
Дата последнего изменения:22.05.2013
Переиздание:переиздание с изм. 1
Взамен:
Область применения:Настоящий стандарт распространяется на стальные закрытые подъемные спиральные канаты с одним слоем z-образных и одним, двумя или тремя слоями х-образных проволок. Канаты диаметром от 20 до 33 мм изготавливаются с одним слоем х-образных проволок, диаметром от 36 до 46 мм - с двумя слоями х-образных проволок, диаметром 50 мм - с тремя слоями х-образных проволок
Список изменений:№1 от 01.01.1984 (рег. 05.08.1983) «Срок действия продлен»
№2 от 01.01.1987 (рег. 12.05.1986) «Срок действия продлен»
№3 от 01.07.1991 (рег. 27.12.1990) «Срок действия продлен»
ГОСТ 10506-76ГОСТ 10506-76ГОСТ 10506-76ГОСТ 10506-76ГОСТ 10506-76ГОСТ 10506-76ГОСТ 10506-76ГОСТ 10506-76ГОСТ 10506-76ГОСТ 10506-76ГОСТ 10506-76ГОСТ 10506-76ГОСТ 10506-76ГОСТ 10506-76ГОСТ 10506-76
 




ГОСТЫ, СТРОИТЕЛЬНЫЕ и ТЕХНИЧЕСКИЕ НОРМАТИВЫ.
Некоммерческая онлайн система, содержащая все Российские Госты, национальные Стандарты и нормативы.
В Системе содержится более 150000 файлов нормативно-технической документации, действующей на территории РФ.
Система предназначена для широкого круга инженерно-технических специалистов.

Рейтинг@Mail.ru Яндекс цитирования

Copyright © www.gostrf.com, 2008 - 2026