Крупнейшая бесплатная информационно-справочная система онлайн доступа к полному собранию технических нормативно-правовых актов РФ. Огромная база технических нормативов (более 150 тысяч документов) и полное собрание национальных стандартов, аутентичное официальной базе Госстандарта. GOSTRF.com - это более 1 Терабайта бесплатной технической информации для всех пользователей интернета. Все электронные копии представленных здесь документов могут распространяться без каких-либо ограничений. Поощряется распространение информации с этого сайта на любых других ресурсах. Каждый человек имеет право на неограниченный доступ к этим документам! Каждый человек имеет право на знание требований, изложенных в данных нормативно-правовых актах!

  


 

ГОСТ 21130-75

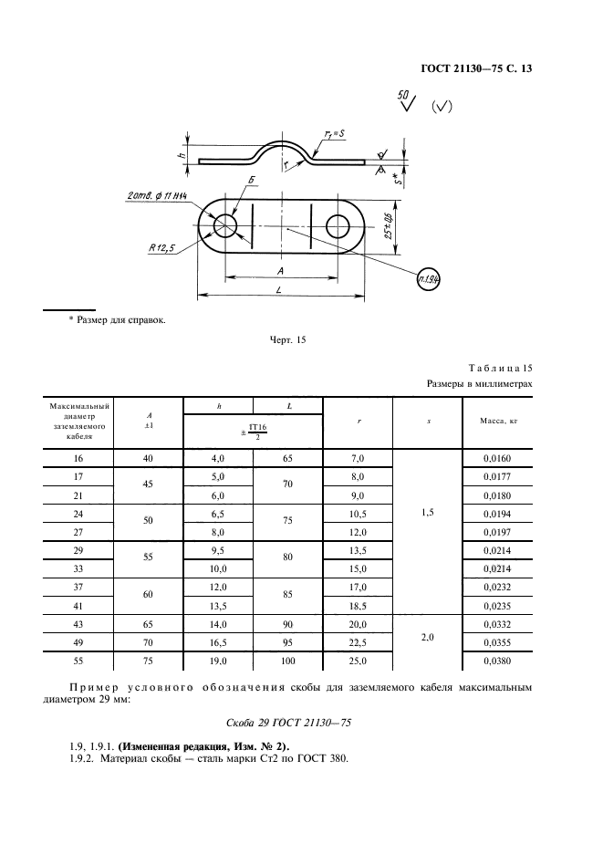
Изделия электротехнические. Зажимы заземляющие и знаки заземления. Конструкция и размеры

Обозначение:ГОСТ 21130-75
Текущий статус документа: действующий
Название документа рус.:Изделия электротехнические. Зажимы заземляющие и знаки заземления. Конструкция и размеры
Название документа англ.:Electrical items. Earth terminals and earth signs. Design and dimensions
Дата актуализации текста:01.12.2013
Дата издания:01.05.2003
Дата введения:30.06.1976
Дата последнего изменения:22.05.2013
Переиздание:переиздание с изм. 1
Область применения:Настоящий стандарт распространяется на заземляющие зажимы и знаки заземления, применяемые в электротехнических изделиях и приборах общего назначения, взрывозащищенных и рудничных изделиях для заземления корпусов, оболочек и брони кабелей и подсоединения заземляющих жил.
Стандарт не распространяется на линейные, заземляющие зажимы, зажимы переносных заземляющих устройств, заземляющие зажимы, применяемые в бытовых изделиях, заземляющие зажимы для изделий и приборов, требования к которым регламентируются специальными правилами их изготовления (изделия и приборы радиотехники, судостроения и др.)
Список изменений:№1 от 01.04.1977 (рег. 24.01.1977) «Срок действия продлен»
№2 от 01.07.1979 (рег. 11.03.1979) «Срок действия продлен»
№3 от 01.01.1982 (рег. 29.05.1981) «Срок действия продлен»
№4 от 01.09.1986 (рег. 13.05.1986) «Срок действия продлен»
№5 от 01.02.1991 (рег. 24.08.1990) «Срок действия продлен»
ГОСТ 21130-75ГОСТ 21130-75ГОСТ 21130-75ГОСТ 21130-75ГОСТ 21130-75ГОСТ 21130-75ГОСТ 21130-75ГОСТ 21130-75ГОСТ 21130-75ГОСТ 21130-75ГОСТ 21130-75ГОСТ 21130-75ГОСТ 21130-75ГОСТ 21130-75ГОСТ 21130-75ГОСТ 21130-75ГОСТ 21130-75ГОСТ 21130-75ГОСТ 21130-75ГОСТ 21130-75ГОСТ 21130-75ГОСТ 21130-75ГОСТ 21130-75ГОСТ 21130-75ГОСТ 21130-75ГОСТ 21130-75ГОСТ 21130-75
 




ГОСТЫ, СТРОИТЕЛЬНЫЕ и ТЕХНИЧЕСКИЕ НОРМАТИВЫ.
Некоммерческая онлайн система, содержащая все Российские Госты, национальные Стандарты и нормативы.
В Системе содержится более 150000 файлов нормативно-технической документации, действующей на территории РФ.
Система предназначена для широкого круга инженерно-технических специалистов.

Рейтинг@Mail.ru Яндекс цитирования

Copyright © www.gostrf.com, 2008 - 2026