Крупнейшая бесплатная информационно-справочная система онлайн доступа к полному собранию технических нормативно-правовых актов РФ. Огромная база технических нормативов (более 150 тысяч документов) и полное собрание национальных стандартов, аутентичное официальной базе Госстандарта. GOSTRF.com - это более 1 Терабайта бесплатной технической информации для всех пользователей интернета. Все электронные копии представленных здесь документов могут распространяться без каких-либо ограничений. Поощряется распространение информации с этого сайта на любых других ресурсах. Каждый человек имеет право на неограниченный доступ к этим документам! Каждый человек имеет право на знание требований, изложенных в данных нормативно-правовых актах!

  


 

ГОСТ 11108-70

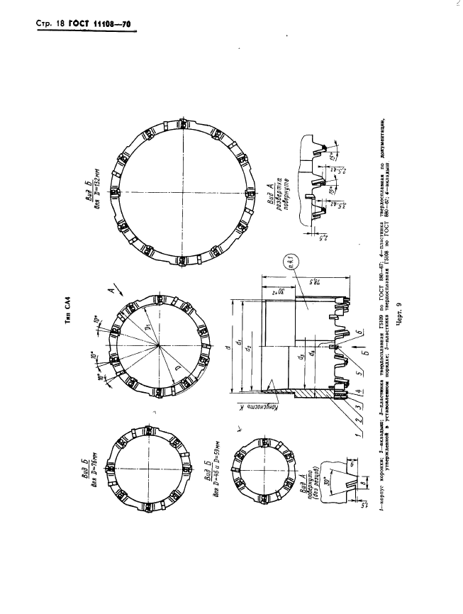
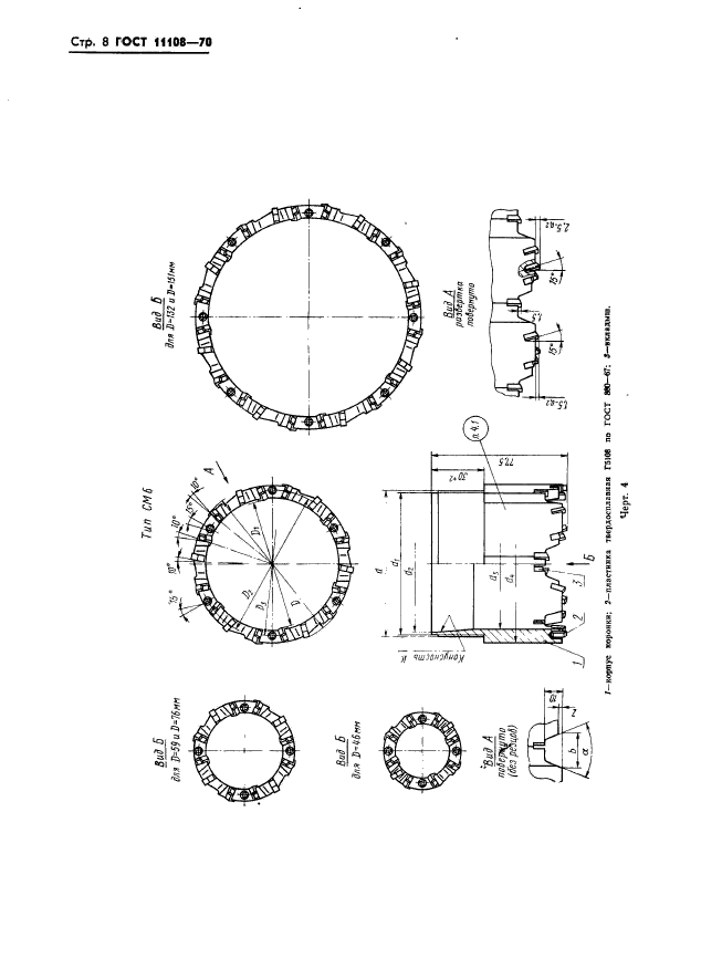
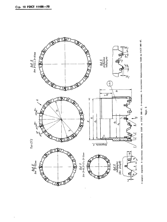
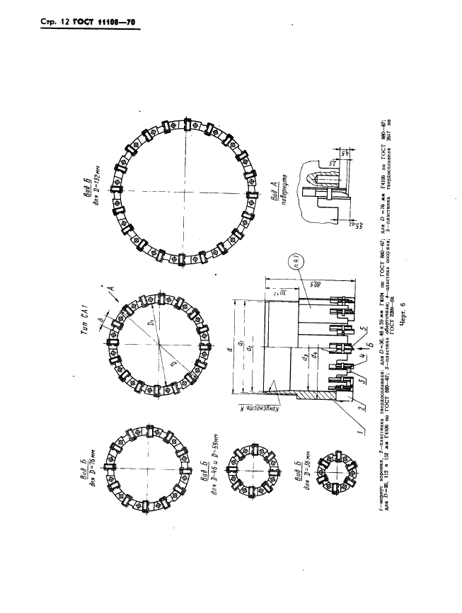
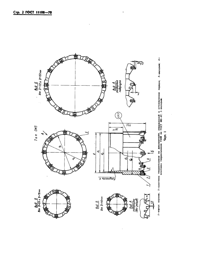
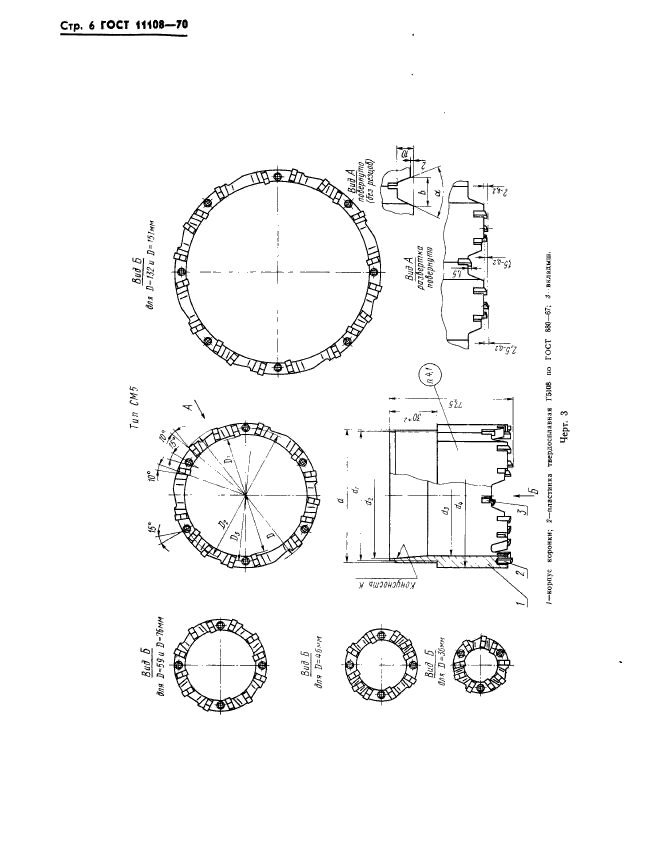
Коронки твердосплавные для колонкового бурения пород средней твердости. Технические условия

Обозначение:ГОСТ 11108-70
Текущий статус документа: действующий
Название документа рус.:Коронки твердосплавные для колонкового бурения пород средней твердости. Технические условия
Название документа англ.:Hard-metals bits for core exploratory drilling in medium hard. Specifications
Дата актуализации текста:01.12.2013
Дата издания:15.07.1970
Дата введения:30.06.1971
Дата последнего изменения:22.05.2013
Область применения:Настоящий стандарт распространяется на колонки твердосплавные для колонкового бурения пород средней твердости
Список изменений:№1 от 01.01.1974 (рег. 30.11.1973) «Срок действия продлен»
№2 от 01.01.1981 (рег. 14.04.1980) «Срок действия продлен»
№3 от 01.01.1986 (рег. 13.05.1985) «Срок действия продлен»
№4 от 01.03.1991 (рег. 28.08.1990) «Срок действия продлен»
ГОСТ 11108-70ГОСТ 11108-70ГОСТ 11108-70ГОСТ 11108-70ГОСТ 11108-70ГОСТ 11108-70ГОСТ 11108-70ГОСТ 11108-70ГОСТ 11108-70ГОСТ 11108-70ГОСТ 11108-70ГОСТ 11108-70ГОСТ 11108-70ГОСТ 11108-70ГОСТ 11108-70ГОСТ 11108-70ГОСТ 11108-70ГОСТ 11108-70ГОСТ 11108-70ГОСТ 11108-70ГОСТ 11108-70ГОСТ 11108-70ГОСТ 11108-70ГОСТ 11108-70ГОСТ 11108-70ГОСТ 11108-70ГОСТ 11108-70ГОСТ 11108-70ГОСТ 11108-70ГОСТ 11108-70ГОСТ 11108-70ГОСТ 11108-70ГОСТ 11108-70ГОСТ 11108-70ГОСТ 11108-70ГОСТ 11108-70ГОСТ 11108-70
 




ГОСТЫ, СТРОИТЕЛЬНЫЕ и ТЕХНИЧЕСКИЕ НОРМАТИВЫ.
Некоммерческая онлайн система, содержащая все Российские Госты, национальные Стандарты и нормативы.
В Системе содержится более 150000 файлов нормативно-технической документации, действующей на территории РФ.
Система предназначена для широкого круга инженерно-технических специалистов.

Рейтинг@Mail.ru Яндекс цитирования

Copyright © www.gostrf.com, 2008 - 2026