Крупнейшая бесплатная информационно-справочная система онлайн доступа к полному собранию технических нормативно-правовых актов РФ. Огромная база технических нормативов (более 150 тысяч документов) и полное собрание национальных стандартов, аутентичное официальной базе Госстандарта. GOSTRF.com - это более 1 Терабайта бесплатной технической информации для всех пользователей интернета. Все электронные копии представленных здесь документов могут распространяться без каких-либо ограничений. Поощряется распространение информации с этого сайта на любых других ресурсах. Каждый человек имеет право на неограниченный доступ к этим документам! Каждый человек имеет право на знание требований, изложенных в данных нормативно-правовых актах!

  


 

ГОСТ 14619-69

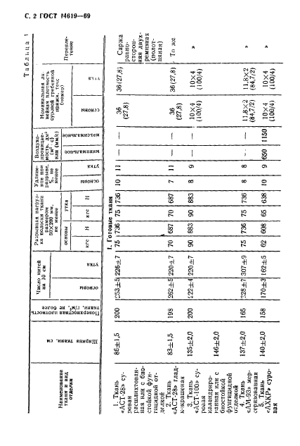
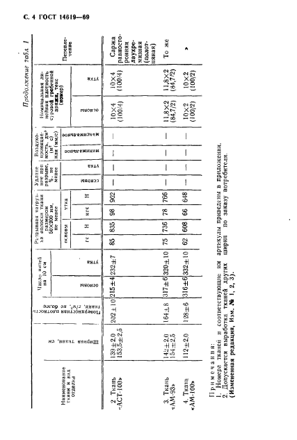
Ткани хлопчатобумажные технические для авиационной промышленности. Технические условия

Обозначение:ГОСТ 14619-69
Текущий статус документа: действующий
Название документа рус.:Ткани хлопчатобумажные технические для авиационной промышленности. Технические условия
Название документа англ.:Industrial cotton fabrics for aircraft industry. Specifications
Дата актуализации текста:01.12.2013
Дата издания:01.01.1992
Дата введения:01.01.1970
Дата последнего изменения:22.05.2013
Переиздание:переиздание с изм. 1
Взамен:
Взамен в части: в части ткани АСТ-28
Область применения:Настоящий стандарт распространяется на хлопчатобумажные технические ткани - суровые, расшлихтованные, гладкокрашеные и с отделкой, применяемые в авиационной промышленности для специальных целей
Список изменений:№1 от 01.03.1983 (рег. 21.10.1982) «Срок действия продлен»
№2 от 01.10.1987 (рег. 01.06.1987) «Срок действия продлен»
№3 от 01.11.1989 (рег. 05.04.1989) «Срок действия продлен»
ГОСТ 14619-69ГОСТ 14619-69ГОСТ 14619-69ГОСТ 14619-69ГОСТ 14619-69ГОСТ 14619-69ГОСТ 14619-69ГОСТ 14619-69ГОСТ 14619-69ГОСТ 14619-69ГОСТ 14619-69ГОСТ 14619-69ГОСТ 14619-69ГОСТ 14619-69ГОСТ 14619-69
 




ГОСТЫ, СТРОИТЕЛЬНЫЕ и ТЕХНИЧЕСКИЕ НОРМАТИВЫ.
Некоммерческая онлайн система, содержащая все Российские Госты, национальные Стандарты и нормативы.
В Системе содержится более 150000 файлов нормативно-технической документации, действующей на территории РФ.
Система предназначена для широкого круга инженерно-технических специалистов.

Рейтинг@Mail.ru Яндекс цитирования

Copyright © www.gostrf.com, 2008 - 2026