Крупнейшая бесплатная информационно-справочная система онлайн доступа к полному собранию технических нормативно-правовых актов РФ. Огромная база технических нормативов (более 150 тысяч документов) и полное собрание национальных стандартов, аутентичное официальной базе Госстандарта. GOSTRF.com - это более 1 Терабайта бесплатной технической информации для всех пользователей интернета. Все электронные копии представленных здесь документов могут распространяться без каких-либо ограничений. Поощряется распространение информации с этого сайта на любых других ресурсах. Каждый человек имеет право на неограниченный доступ к этим документам! Каждый человек имеет право на знание требований, изложенных в данных нормативно-правовых актах!

  


 

ГОСТ Р МЭК 60269-4-1-2007

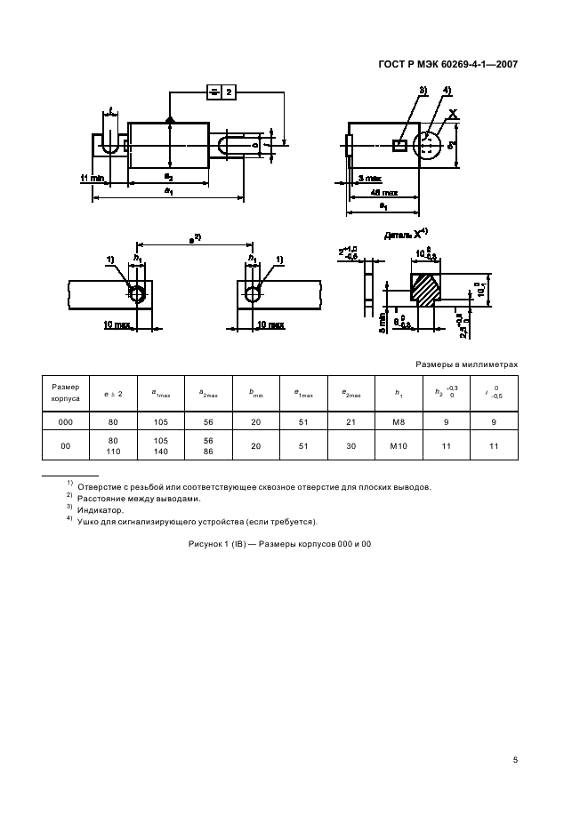
Предохранители плавкие низковольтные. Часть 4-1. Дополнительные требования к плавким вставкам для защиты полупроводниковых устройств. Разделы 1-III. Примеры типов стандартизованных плавких вставок

Обозначение:ГОСТ Р МЭК 60269-4-1-2007
Текущий статус документа: отменён
Название документа рус.:Предохранители плавкие низковольтные. Часть 4-1. Дополнительные требования к плавким вставкам для защиты полупроводниковых устройств. Разделы 1-III. Примеры типов стандартизованных плавких вставок
Название документа англ.:Low-voltage fuses. Part 4-1. Supplementary requirements for fuse-links for the protection of semiconductor devices. Sections I to III. Examples of types of standardized fuse-links
Дата актуализации текста:01.12.2013
Дата издания:12.12.2007
Дата введения:01.07.2008
Дата последнего изменения:22.05.2013
Дата окончания срока действия:01.01.2013
Область применения:Настоящий стандарт распространяется на размеры, но не на характеристики плавких вставок
Список изменений:№0 от 01.01.2013 (рег. 13.12.2011) «Текстовое изменение; Изменено заглавие»
ГОСТ Р МЭК 60269-4-1-2007ГОСТ Р МЭК 60269-4-1-2007ГОСТ Р МЭК 60269-4-1-2007ГОСТ Р МЭК 60269-4-1-2007ГОСТ Р МЭК 60269-4-1-2007ГОСТ Р МЭК 60269-4-1-2007ГОСТ Р МЭК 60269-4-1-2007ГОСТ Р МЭК 60269-4-1-2007ГОСТ Р МЭК 60269-4-1-2007ГОСТ Р МЭК 60269-4-1-2007ГОСТ Р МЭК 60269-4-1-2007ГОСТ Р МЭК 60269-4-1-2007ГОСТ Р МЭК 60269-4-1-2007ГОСТ Р МЭК 60269-4-1-2007ГОСТ Р МЭК 60269-4-1-2007
 




ГОСТЫ, СТРОИТЕЛЬНЫЕ и ТЕХНИЧЕСКИЕ НОРМАТИВЫ.
Некоммерческая онлайн система, содержащая все Российские Госты, национальные Стандарты и нормативы.
В Системе содержится более 150000 файлов нормативно-технической документации, действующей на территории РФ.
Система предназначена для широкого круга инженерно-технических специалистов.

Рейтинг@Mail.ru Яндекс цитирования

Copyright © www.gostrf.com, 2008 - 2026