Крупнейшая бесплатная информационно-справочная система онлайн доступа к полному собранию технических нормативно-правовых актов РФ. Огромная база технических нормативов (более 150 тысяч документов) и полное собрание национальных стандартов, аутентичное официальной базе Госстандарта. GOSTRF.com - это более 1 Терабайта бесплатной технической информации для всех пользователей интернета. Все электронные копии представленных здесь документов могут распространяться без каких-либо ограничений. Поощряется распространение информации с этого сайта на любых других ресурсах. Каждый человек имеет право на неограниченный доступ к этим документам! Каждый человек имеет право на знание требований, изложенных в данных нормативно-правовых актах!

  


 

ГОСТ Р МЭК 61184-99

Патроны байонетные

Обозначение:ГОСТ Р МЭК 61184-99
Текущий статус документа: отменён
Название документа рус.:Патроны байонетные
Название документа англ.:Bayonet lampholders
Дата актуализации текста:01.12.2013
Дата издания:07.12.1999
Дата введения:01.01.2001
Дата последнего изменения:22.05.2013
Дата окончания срока действия:01.01.2013
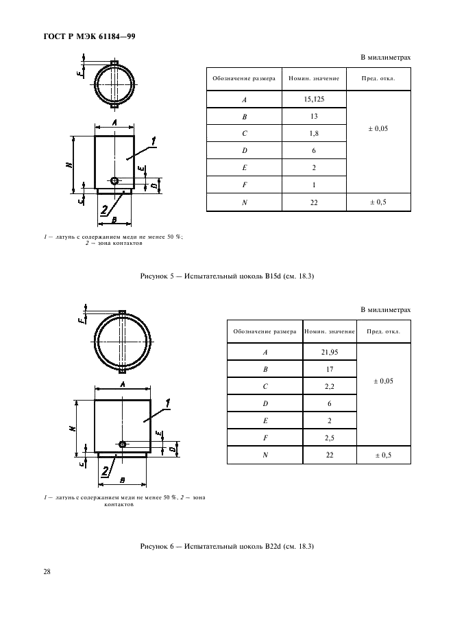
Область применения:Настоящий стандарт распространяется на патроны байонетные типов В15d и В22d для присоединения ламп и ламп-светильников к сети питания напряжением до 250 В.
Насколько возможно, стандарт также распространяется на патроны, которые полностью или частично являются неотъемлемой частью светильника или предназначены для встраивания в приборы
Список изменений:№0 от 01.01.2013 (рег. 13.12.2011) «Текстовое изменение; Изменено заглавие»
ГОСТ Р МЭК 61184-99ГОСТ Р МЭК 61184-99ГОСТ Р МЭК 61184-99ГОСТ Р МЭК 61184-99ГОСТ Р МЭК 61184-99ГОСТ Р МЭК 61184-99ГОСТ Р МЭК 61184-99ГОСТ Р МЭК 61184-99ГОСТ Р МЭК 61184-99ГОСТ Р МЭК 61184-99ГОСТ Р МЭК 61184-99ГОСТ Р МЭК 61184-99ГОСТ Р МЭК 61184-99ГОСТ Р МЭК 61184-99ГОСТ Р МЭК 61184-99ГОСТ Р МЭК 61184-99ГОСТ Р МЭК 61184-99ГОСТ Р МЭК 61184-99ГОСТ Р МЭК 61184-99ГОСТ Р МЭК 61184-99ГОСТ Р МЭК 61184-99ГОСТ Р МЭК 61184-99ГОСТ Р МЭК 61184-99ГОСТ Р МЭК 61184-99ГОСТ Р МЭК 61184-99ГОСТ Р МЭК 61184-99ГОСТ Р МЭК 61184-99ГОСТ Р МЭК 61184-99ГОСТ Р МЭК 61184-99ГОСТ Р МЭК 61184-99ГОСТ Р МЭК 61184-99ГОСТ Р МЭК 61184-99ГОСТ Р МЭК 61184-99ГОСТ Р МЭК 61184-99ГОСТ Р МЭК 61184-99ГОСТ Р МЭК 61184-99ГОСТ Р МЭК 61184-99ГОСТ Р МЭК 61184-99ГОСТ Р МЭК 61184-99ГОСТ Р МЭК 61184-99ГОСТ Р МЭК 61184-99ГОСТ Р МЭК 61184-99ГОСТ Р МЭК 61184-99ГОСТ Р МЭК 61184-99ГОСТ Р МЭК 61184-99
 




ГОСТЫ, СТРОИТЕЛЬНЫЕ и ТЕХНИЧЕСКИЕ НОРМАТИВЫ.
Некоммерческая онлайн система, содержащая все Российские Госты, национальные Стандарты и нормативы.
В Системе содержится более 150000 файлов нормативно-технической документации, действующей на территории РФ.
Система предназначена для широкого круга инженерно-технических специалистов.

Рейтинг@Mail.ru Яндекс цитирования

Copyright © www.gostrf.com, 2008 - 2026