Крупнейшая бесплатная информационно-справочная система онлайн доступа к полному собранию технических нормативно-правовых актов РФ. Огромная база технических нормативов (более 150 тысяч документов) и полное собрание национальных стандартов, аутентичное официальной базе Госстандарта. GOSTRF.com - это более 1 Терабайта бесплатной технической информации для всех пользователей интернета. Все электронные копии представленных здесь документов могут распространяться без каких-либо ограничений. Поощряется распространение информации с этого сайта на любых других ресурсах. Каждый человек имеет право на неограниченный доступ к этим документам! Каждый человек имеет право на знание требований, изложенных в данных нормативно-правовых актах!

  


 

ГОСТ Р 51330.10-99

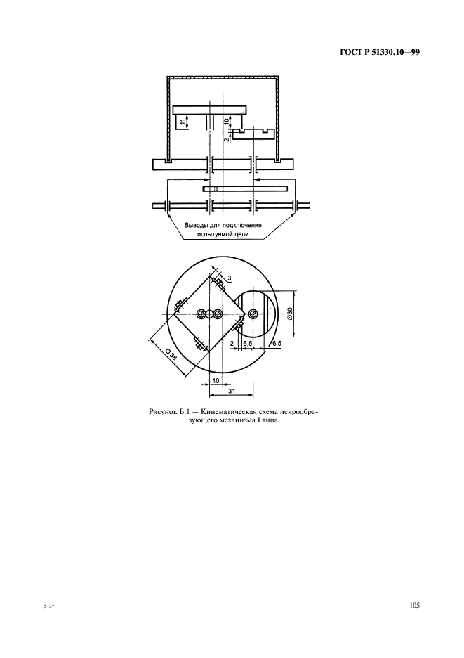
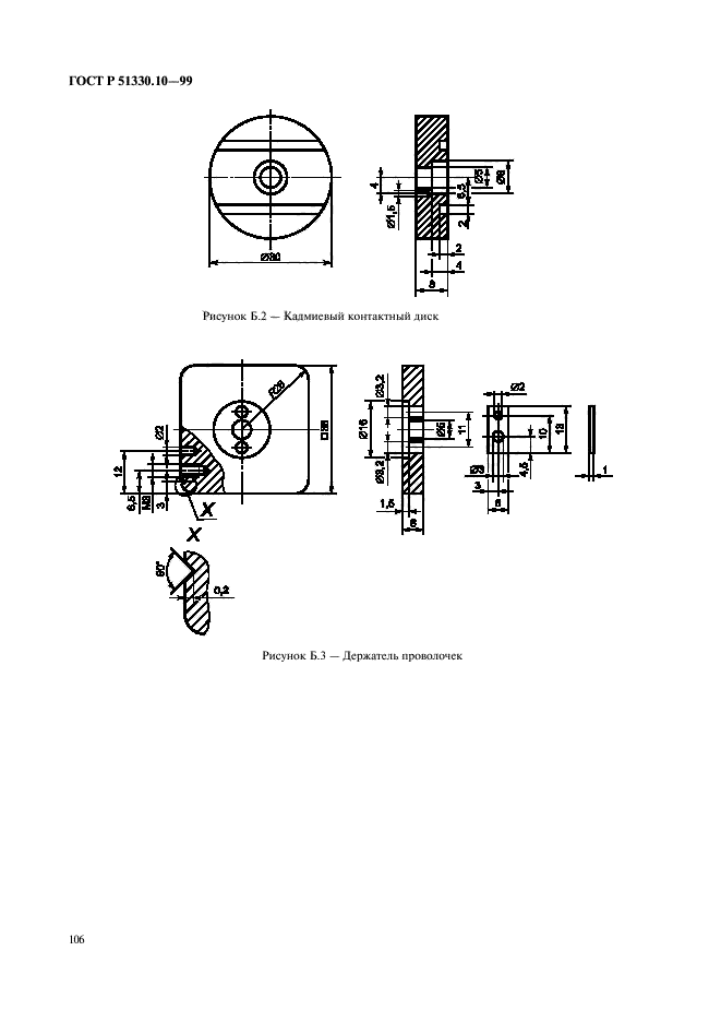
Электрооборудование взрывозащищенное. Часть11. Искробезопасная электрическая цепь i

Обозначение:ГОСТ Р 51330.10-99
Текущий статус документа: действующий
Название документа рус.:Электрооборудование взрывозащищенное. Часть11. Искробезопасная электрическая цепь i
Название документа англ.:Electrical apparatus for explosive gas atmospheres. Part 11. Intrinsic safety i
Дата актуализации текста:01.12.2013
Дата издания:01.07.2008
Дата введения:01.01.2001
Дата последнего изменения:11.09.2013
Дата окончания срока действия:15.02.2014
Переиздание:переиздание
Область применения:Настоящий стандарт распространяется на взрывозащищенное электрооборудование (электротехнические устройства) групп I и II с взрывозащитой вида “искробезопасная электрическая цепь“, на электрооборудование с взрывозащитой других видов, имеющие искробезопасные и связанные с ними искроопасные электрические цепи, а также на электрические цепи невзрывозащищенного электрооборудования, которые электрически связаны с искробезопасными цепями взрывозащищенного электрооборудования и могут оказать влияние на их искробезопасность
Список изменений:№0 от 15.02.2014 (рег. 29.11.2012) «Текстовое изменение; Изменено заглавие»
ГОСТ Р 51330.10-99ГОСТ Р 51330.10-99ГОСТ Р 51330.10-99ГОСТ Р 51330.10-99ГОСТ Р 51330.10-99ГОСТ Р 51330.10-99ГОСТ Р 51330.10-99ГОСТ Р 51330.10-99ГОСТ Р 51330.10-99ГОСТ Р 51330.10-99ГОСТ Р 51330.10-99ГОСТ Р 51330.10-99ГОСТ Р 51330.10-99ГОСТ Р 51330.10-99ГОСТ Р 51330.10-99ГОСТ Р 51330.10-99ГОСТ Р 51330.10-99ГОСТ Р 51330.10-99ГОСТ Р 51330.10-99ГОСТ Р 51330.10-99ГОСТ Р 51330.10-99ГОСТ Р 51330.10-99ГОСТ Р 51330.10-99ГОСТ Р 51330.10-99ГОСТ Р 51330.10-99ГОСТ Р 51330.10-99ГОСТ Р 51330.10-99ГОСТ Р 51330.10-99ГОСТ Р 51330.10-99ГОСТ Р 51330.10-99ГОСТ Р 51330.10-99ГОСТ Р 51330.10-99ГОСТ Р 51330.10-99ГОСТ Р 51330.10-99ГОСТ Р 51330.10-99ГОСТ Р 51330.10-99ГОСТ Р 51330.10-99ГОСТ Р 51330.10-99ГОСТ Р 51330.10-99ГОСТ Р 51330.10-99ГОСТ Р 51330.10-99ГОСТ Р 51330.10-99ГОСТ Р 51330.10-99ГОСТ Р 51330.10-99ГОСТ Р 51330.10-99ГОСТ Р 51330.10-99ГОСТ Р 51330.10-99ГОСТ Р 51330.10-99ГОСТ Р 51330.10-99ГОСТ Р 51330.10-99ГОСТ Р 51330.10-99ГОСТ Р 51330.10-99ГОСТ Р 51330.10-99ГОСТ Р 51330.10-99ГОСТ Р 51330.10-99ГОСТ Р 51330.10-99ГОСТ Р 51330.10-99ГОСТ Р 51330.10-99ГОСТ Р 51330.10-99ГОСТ Р 51330.10-99ГОСТ Р 51330.10-99ГОСТ Р 51330.10-99ГОСТ Р 51330.10-99ГОСТ Р 51330.10-99ГОСТ Р 51330.10-99ГОСТ Р 51330.10-99ГОСТ Р 51330.10-99ГОСТ Р 51330.10-99ГОСТ Р 51330.10-99ГОСТ Р 51330.10-99ГОСТ Р 51330.10-99ГОСТ Р 51330.10-99ГОСТ Р 51330.10-99ГОСТ Р 51330.10-99ГОСТ Р 51330.10-99ГОСТ Р 51330.10-99ГОСТ Р 51330.10-99ГОСТ Р 51330.10-99ГОСТ Р 51330.10-99ГОСТ Р 51330.10-99ГОСТ Р 51330.10-99ГОСТ Р 51330.10-99ГОСТ Р 51330.10-99ГОСТ Р 51330.10-99ГОСТ Р 51330.10-99ГОСТ Р 51330.10-99ГОСТ Р 51330.10-99ГОСТ Р 51330.10-99ГОСТ Р 51330.10-99ГОСТ Р 51330.10-99ГОСТ Р 51330.10-99ГОСТ Р 51330.10-99ГОСТ Р 51330.10-99ГОСТ Р 51330.10-99ГОСТ Р 51330.10-99ГОСТ Р 51330.10-99ГОСТ Р 51330.10-99ГОСТ Р 51330.10-99ГОСТ Р 51330.10-99ГОСТ Р 51330.10-99ГОСТ Р 51330.10-99ГОСТ Р 51330.10-99ГОСТ Р 51330.10-99ГОСТ Р 51330.10-99ГОСТ Р 51330.10-99ГОСТ Р 51330.10-99ГОСТ Р 51330.10-99ГОСТ Р 51330.10-99ГОСТ Р 51330.10-99ГОСТ Р 51330.10-99ГОСТ Р 51330.10-99ГОСТ Р 51330.10-99ГОСТ Р 51330.10-99ГОСТ Р 51330.10-99ГОСТ Р 51330.10-99ГОСТ Р 51330.10-99ГОСТ Р 51330.10-99ГОСТ Р 51330.10-99ГОСТ Р 51330.10-99ГОСТ Р 51330.10-99ГОСТ Р 51330.10-99ГОСТ Р 51330.10-99
 




ГОСТЫ, СТРОИТЕЛЬНЫЕ и ТЕХНИЧЕСКИЕ НОРМАТИВЫ.
Некоммерческая онлайн система, содержащая все Российские Госты, национальные Стандарты и нормативы.
В Системе содержится более 150000 файлов нормативно-технической документации, действующей на территории РФ.
Система предназначена для широкого круга инженерно-технических специалистов.

Рейтинг@Mail.ru Яндекс цитирования

Copyright © www.gostrf.com, 2008 - 2026