Крупнейшая бесплатная информационно-справочная система онлайн доступа к полному собранию технических нормативно-правовых актов РФ. Огромная база технических нормативов (более 150 тысяч документов) и полное собрание национальных стандартов, аутентичное официальной базе Госстандарта. GOSTRF.com - это более 1 Терабайта бесплатной технической информации для всех пользователей интернета. Все электронные копии представленных здесь документов могут распространяться без каких-либо ограничений. Поощряется распространение информации с этого сайта на любых других ресурсах. Каждый человек имеет право на неограниченный доступ к этим документам! Каждый человек имеет право на знание требований, изложенных в данных нормативно-правовых актах!

  


 

ГОСТ 26218-94

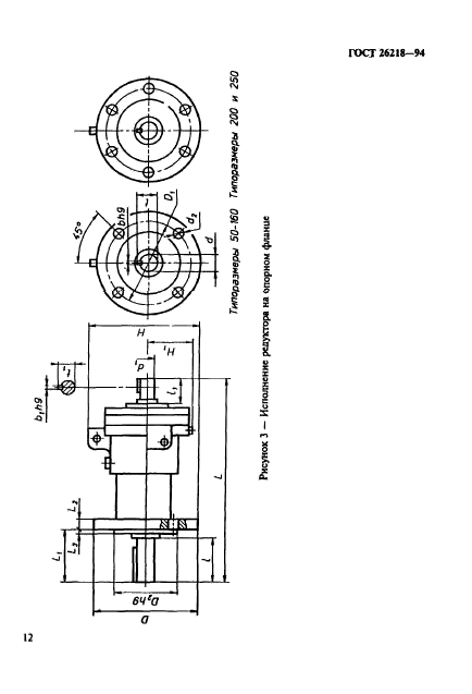
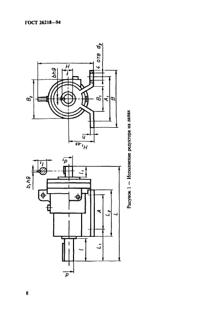
Редукторы и мотор-редукторы волновые зубчатые. Параметры и размеры

Обозначение:ГОСТ 26218-94
Текущий статус документа: действующий
Название документа рус.:Редукторы и мотор-редукторы волновые зубчатые. Параметры и размеры
Название документа англ.:Harmonic drive reducers and reduction gearmotors. Parameters and dimensions
Дата актуализации текста:01.12.2013
Дата издания:15.07.1996
Дата введения:30.06.1996
Дата последнего изменения:22.05.2013
Взамен:
Область применения:Настоящий стандарт распространяется на редукторы и мотор-редукторы волновые зубчатые.
Настоящий стандарт не распространяется на редукторы и мотор-редукторы специального назначения
ГОСТ 26218-94ГОСТ 26218-94ГОСТ 26218-94ГОСТ 26218-94ГОСТ 26218-94ГОСТ 26218-94ГОСТ 26218-94ГОСТ 26218-94ГОСТ 26218-94ГОСТ 26218-94ГОСТ 26218-94ГОСТ 26218-94ГОСТ 26218-94ГОСТ 26218-94ГОСТ 26218-94ГОСТ 26218-94ГОСТ 26218-94ГОСТ 26218-94ГОСТ 26218-94
 




ГОСТЫ, СТРОИТЕЛЬНЫЕ и ТЕХНИЧЕСКИЕ НОРМАТИВЫ.
Некоммерческая онлайн система, содержащая все Российские Госты, национальные Стандарты и нормативы.
В Системе содержится более 150000 файлов нормативно-технической документации, действующей на территории РФ.
Система предназначена для широкого круга инженерно-технических специалистов.

Рейтинг@Mail.ru Яндекс цитирования

Copyright © www.gostrf.com, 2008 - 2026