Крупнейшая бесплатная информационно-справочная система онлайн доступа к полному собранию технических нормативно-правовых актов РФ. Огромная база технических нормативов (более 150 тысяч документов) и полное собрание национальных стандартов, аутентичное официальной базе Госстандарта. GOSTRF.com - это более 1 Терабайта бесплатной технической информации для всех пользователей интернета. Все электронные копии представленных здесь документов могут распространяться без каких-либо ограничений. Поощряется распространение информации с этого сайта на любых других ресурсах. Каждый человек имеет право на неограниченный доступ к этим документам! Каждый человек имеет право на знание требований, изложенных в данных нормативно-правовых актах!

  


 

ГОСТ Р 34.1980.3-92

Информационная технология. Взаимосвязь открытых систем. Передача, доступ и управление файлом. Часть 3. Определение услуг виртуального файла

Обозначение:ГОСТ Р 34.1980.3-92
Текущий статус документа: действующий
Название документа рус.:Информационная технология. Взаимосвязь открытых систем. Передача, доступ и управление файлом. Часть 3. Определение услуг виртуального файла
Название документа англ.:Information processing systems. Open systems interconnection. File transfer, access and management. Part 3. File service definition
Дата актуализации текста:01.12.2013
Дата издания:21.04.1993
Дата введения:01.01.1994
Дата последнего изменения:22.05.2013
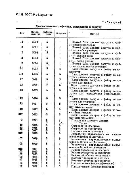
Область применения:Настоящий стандарт является одним из множества стандартов, разработанных для облегчения установления взаимосвязи вычислительных систем. Его отношение к другим стандартам данного множества определяется эталонной моделью взаимосвязи открытых систем (ГОСТ 28906).
Эталонная модель подразделяет область стандартизации взаимосвязи на ряд уровней спецификаций, каждый из которых имеет управляемую область
ГОСТ Р 34.1980.3-92ГОСТ Р 34.1980.3-92ГОСТ Р 34.1980.3-92ГОСТ Р 34.1980.3-92ГОСТ Р 34.1980.3-92ГОСТ Р 34.1980.3-92ГОСТ Р 34.1980.3-92ГОСТ Р 34.1980.3-92ГОСТ Р 34.1980.3-92ГОСТ Р 34.1980.3-92ГОСТ Р 34.1980.3-92ГОСТ Р 34.1980.3-92ГОСТ Р 34.1980.3-92ГОСТ Р 34.1980.3-92ГОСТ Р 34.1980.3-92ГОСТ Р 34.1980.3-92ГОСТ Р 34.1980.3-92ГОСТ Р 34.1980.3-92ГОСТ Р 34.1980.3-92ГОСТ Р 34.1980.3-92ГОСТ Р 34.1980.3-92ГОСТ Р 34.1980.3-92ГОСТ Р 34.1980.3-92ГОСТ Р 34.1980.3-92ГОСТ Р 34.1980.3-92ГОСТ Р 34.1980.3-92ГОСТ Р 34.1980.3-92ГОСТ Р 34.1980.3-92ГОСТ Р 34.1980.3-92ГОСТ Р 34.1980.3-92ГОСТ Р 34.1980.3-92ГОСТ Р 34.1980.3-92ГОСТ Р 34.1980.3-92ГОСТ Р 34.1980.3-92ГОСТ Р 34.1980.3-92ГОСТ Р 34.1980.3-92ГОСТ Р 34.1980.3-92ГОСТ Р 34.1980.3-92ГОСТ Р 34.1980.3-92ГОСТ Р 34.1980.3-92ГОСТ Р 34.1980.3-92ГОСТ Р 34.1980.3-92ГОСТ Р 34.1980.3-92ГОСТ Р 34.1980.3-92ГОСТ Р 34.1980.3-92ГОСТ Р 34.1980.3-92ГОСТ Р 34.1980.3-92ГОСТ Р 34.1980.3-92ГОСТ Р 34.1980.3-92ГОСТ Р 34.1980.3-92ГОСТ Р 34.1980.3-92ГОСТ Р 34.1980.3-92ГОСТ Р 34.1980.3-92ГОСТ Р 34.1980.3-92ГОСТ Р 34.1980.3-92ГОСТ Р 34.1980.3-92ГОСТ Р 34.1980.3-92ГОСТ Р 34.1980.3-92ГОСТ Р 34.1980.3-92ГОСТ Р 34.1980.3-92ГОСТ Р 34.1980.3-92ГОСТ Р 34.1980.3-92ГОСТ Р 34.1980.3-92ГОСТ Р 34.1980.3-92ГОСТ Р 34.1980.3-92ГОСТ Р 34.1980.3-92ГОСТ Р 34.1980.3-92ГОСТ Р 34.1980.3-92ГОСТ Р 34.1980.3-92ГОСТ Р 34.1980.3-92ГОСТ Р 34.1980.3-92ГОСТ Р 34.1980.3-92ГОСТ Р 34.1980.3-92ГОСТ Р 34.1980.3-92ГОСТ Р 34.1980.3-92ГОСТ Р 34.1980.3-92ГОСТ Р 34.1980.3-92ГОСТ Р 34.1980.3-92ГОСТ Р 34.1980.3-92ГОСТ Р 34.1980.3-92ГОСТ Р 34.1980.3-92ГОСТ Р 34.1980.3-92ГОСТ Р 34.1980.3-92ГОСТ Р 34.1980.3-92ГОСТ Р 34.1980.3-92ГОСТ Р 34.1980.3-92ГОСТ Р 34.1980.3-92ГОСТ Р 34.1980.3-92ГОСТ Р 34.1980.3-92ГОСТ Р 34.1980.3-92ГОСТ Р 34.1980.3-92ГОСТ Р 34.1980.3-92ГОСТ Р 34.1980.3-92ГОСТ Р 34.1980.3-92ГОСТ Р 34.1980.3-92ГОСТ Р 34.1980.3-92ГОСТ Р 34.1980.3-92ГОСТ Р 34.1980.3-92ГОСТ Р 34.1980.3-92ГОСТ Р 34.1980.3-92ГОСТ Р 34.1980.3-92ГОСТ Р 34.1980.3-92ГОСТ Р 34.1980.3-92ГОСТ Р 34.1980.3-92ГОСТ Р 34.1980.3-92ГОСТ Р 34.1980.3-92ГОСТ Р 34.1980.3-92ГОСТ Р 34.1980.3-92ГОСТ Р 34.1980.3-92ГОСТ Р 34.1980.3-92ГОСТ Р 34.1980.3-92ГОСТ Р 34.1980.3-92ГОСТ Р 34.1980.3-92ГОСТ Р 34.1980.3-92ГОСТ Р 34.1980.3-92ГОСТ Р 34.1980.3-92ГОСТ Р 34.1980.3-92ГОСТ Р 34.1980.3-92ГОСТ Р 34.1980.3-92ГОСТ Р 34.1980.3-92ГОСТ Р 34.1980.3-92ГОСТ Р 34.1980.3-92ГОСТ Р 34.1980.3-92ГОСТ Р 34.1980.3-92ГОСТ Р 34.1980.3-92ГОСТ Р 34.1980.3-92ГОСТ Р 34.1980.3-92ГОСТ Р 34.1980.3-92ГОСТ Р 34.1980.3-92ГОСТ Р 34.1980.3-92ГОСТ Р 34.1980.3-92ГОСТ Р 34.1980.3-92ГОСТ Р 34.1980.3-92ГОСТ Р 34.1980.3-92ГОСТ Р 34.1980.3-92ГОСТ Р 34.1980.3-92ГОСТ Р 34.1980.3-92ГОСТ Р 34.1980.3-92ГОСТ Р 34.1980.3-92ГОСТ Р 34.1980.3-92ГОСТ Р 34.1980.3-92ГОСТ Р 34.1980.3-92ГОСТ Р 34.1980.3-92ГОСТ Р 34.1980.3-92ГОСТ Р 34.1980.3-92ГОСТ Р 34.1980.3-92ГОСТ Р 34.1980.3-92ГОСТ Р 34.1980.3-92ГОСТ Р 34.1980.3-92ГОСТ Р 34.1980.3-92ГОСТ Р 34.1980.3-92ГОСТ Р 34.1980.3-92ГОСТ Р 34.1980.3-92ГОСТ Р 34.1980.3-92
 




ГОСТЫ, СТРОИТЕЛЬНЫЕ и ТЕХНИЧЕСКИЕ НОРМАТИВЫ.
Некоммерческая онлайн система, содержащая все Российские Госты, национальные Стандарты и нормативы.
В Системе содержится более 150000 файлов нормативно-технической документации, действующей на территории РФ.
Система предназначена для широкого круга инженерно-технических специалистов.

Рейтинг@Mail.ru Яндекс цитирования

Copyright © www.gostrf.com, 2008 - 2026