Крупнейшая бесплатная информационно-справочная система онлайн доступа к полному собранию технических нормативно-правовых актов РФ. Огромная база технических нормативов (более 150 тысяч документов) и полное собрание национальных стандартов, аутентичное официальной базе Госстандарта. GOSTRF.com - это более 1 Терабайта бесплатной технической информации для всех пользователей интернета. Все электронные копии представленных здесь документов могут распространяться без каких-либо ограничений. Поощряется распространение информации с этого сайта на любых других ресурсах. Каждый человек имеет право на неограниченный доступ к этим документам! Каждый человек имеет право на знание требований, изложенных в данных нормативно-правовых актах!

  


 

ГОСТ 28079-89

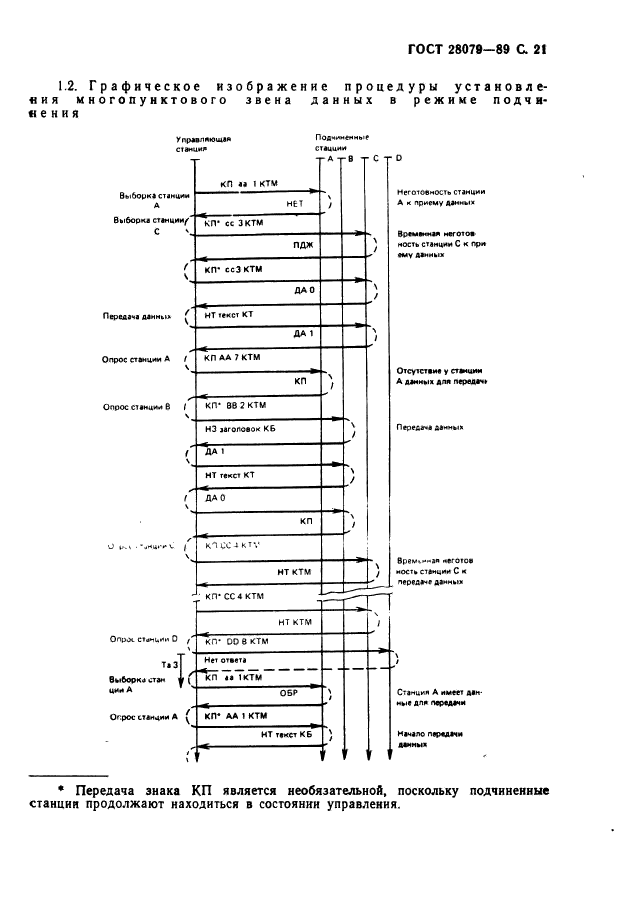
Системы обработки информации. Протокол уровня звена данных. Методы синхронной позначной передачи данных

Обозначение:ГОСТ 28079-89
Текущий статус документа: действующий
Название документа рус.:Системы обработки информации. Протокол уровня звена данных. Методы синхронной позначной передачи данных
Название документа англ.:Information processing systems. Data link protocol. Methods of synchronous character oriented data transmission
Дата актуализации текста:01.12.2013
Дата издания:23.08.1989
Дата введения:01.01.1990
Дата последнего изменения:22.05.2013
Область применения:Настоящий стандарт распространяется на протокол уровня звена данных для синхронной позначной передачи данных в основном режиме в 7-битном коде КОИ-7, в 8-битном коде ДКОИ и в кодонезависимом режиме в системах телеобработки данных и устанавливает: 1) наименование и обозначение управляющих знаков и их последовательностей; 2) структуру сообщения, блока данных и знака данных; 3) процедуры установления и поддержания синхронности работы звена данных; 4) процедуры установления звена данных; 5) процедуры передачи данных в основном режиме; 6) процедуры диалоговой передачи данных; 7) процедуры передачи данных в кодонезависимом режиме; 8) процедуры обнаружения и исправления ошибок
ГОСТ 28079-89ГОСТ 28079-89ГОСТ 28079-89ГОСТ 28079-89ГОСТ 28079-89ГОСТ 28079-89ГОСТ 28079-89ГОСТ 28079-89ГОСТ 28079-89ГОСТ 28079-89ГОСТ 28079-89ГОСТ 28079-89ГОСТ 28079-89ГОСТ 28079-89ГОСТ 28079-89ГОСТ 28079-89ГОСТ 28079-89ГОСТ 28079-89ГОСТ 28079-89ГОСТ 28079-89ГОСТ 28079-89ГОСТ 28079-89ГОСТ 28079-89ГОСТ 28079-89ГОСТ 28079-89ГОСТ 28079-89ГОСТ 28079-89ГОСТ 28079-89ГОСТ 28079-89ГОСТ 28079-89ГОСТ 28079-89ГОСТ 28079-89ГОСТ 28079-89ГОСТ 28079-89ГОСТ 28079-89
 




ГОСТЫ, СТРОИТЕЛЬНЫЕ и ТЕХНИЧЕСКИЕ НОРМАТИВЫ.
Некоммерческая онлайн система, содержащая все Российские Госты, национальные Стандарты и нормативы.
В Системе содержится более 150000 файлов нормативно-технической документации, действующей на территории РФ.
Система предназначена для широкого круга инженерно-технических специалистов.

Рейтинг@Mail.ru Яндекс цитирования

Copyright © www.gostrf.com, 2008 - 2026