Крупнейшая бесплатная информационно-справочная система онлайн доступа к полному собранию технических нормативно-правовых актов РФ. Огромная база технических нормативов (более 150 тысяч документов) и полное собрание национальных стандартов, аутентичное официальной базе Госстандарта. GOSTRF.com - это более 1 Терабайта бесплатной технической информации для всех пользователей интернета. Все электронные копии представленных здесь документов могут распространяться без каких-либо ограничений. Поощряется распространение информации с этого сайта на любых других ресурсах. Каждый человек имеет право на неограниченный доступ к этим документам! Каждый человек имеет право на знание требований, изложенных в данных нормативно-правовых актах!

  


 

ГОСТ 25645.149-89

Излучение солнечное ультрафиолетовое коротковолновое. Характеристики потоков

Обозначение:ГОСТ 25645.149-89
Текущий статус документа: действующий
Название документа рус.:Излучение солнечное ультрафиолетовое коротковолновое. Характеристики потоков
Название документа англ.:Solar extreme ultra-violet radiation. Characteristics of flux values
Дата актуализации текста:01.12.2013
Дата издания:02.03.1990
Дата введения:01.01.1991
Дата последнего изменения:22.05.2013
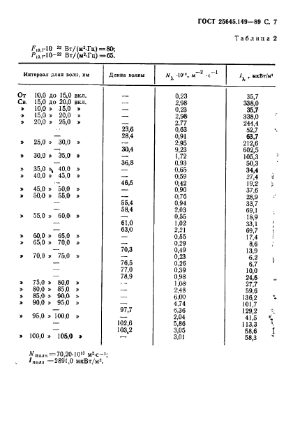
Область применения:Настоящий стандарт определяет модель распределения плотности потоков фотонов и энергии солнечного ультрафиолетового коротковолнового излучения по длине волны в диапазоне от 10 до 105 нм для различных уровней солнечной активности при отсутствии вспышек на Солнце.
Стандарт предназначен для оценки параметров ионосферы, верхней атмосферы Земли и планет солнечной системы и радиационного воздействия излучения на технические устройства в космическом пространстве
ГОСТ 25645.149-89ГОСТ 25645.149-89ГОСТ 25645.149-89ГОСТ 25645.149-89ГОСТ 25645.149-89ГОСТ 25645.149-89ГОСТ 25645.149-89ГОСТ 25645.149-89ГОСТ 25645.149-89ГОСТ 25645.149-89ГОСТ 25645.149-89ГОСТ 25645.149-89ГОСТ 25645.149-89ГОСТ 25645.149-89ГОСТ 25645.149-89ГОСТ 25645.149-89ГОСТ 25645.149-89ГОСТ 25645.149-89ГОСТ 25645.149-89ГОСТ 25645.149-89ГОСТ 25645.149-89ГОСТ 25645.149-89ГОСТ 25645.149-89ГОСТ 25645.149-89ГОСТ 25645.149-89ГОСТ 25645.149-89ГОСТ 25645.149-89ГОСТ 25645.149-89ГОСТ 25645.149-89ГОСТ 25645.149-89ГОСТ 25645.149-89ГОСТ 25645.149-89ГОСТ 25645.149-89ГОСТ 25645.149-89ГОСТ 25645.149-89ГОСТ 25645.149-89ГОСТ 25645.149-89ГОСТ 25645.149-89
 




ГОСТЫ, СТРОИТЕЛЬНЫЕ и ТЕХНИЧЕСКИЕ НОРМАТИВЫ.
Некоммерческая онлайн система, содержащая все Российские Госты, национальные Стандарты и нормативы.
В Системе содержится более 150000 файлов нормативно-технической документации, действующей на территории РФ.
Система предназначена для широкого круга инженерно-технических специалистов.

Рейтинг@Mail.ru Яндекс цитирования

Copyright © www.gostrf.com, 2008 - 2026