Крупнейшая бесплатная информационно-справочная система онлайн доступа к полному собранию технических нормативно-правовых актов РФ. Огромная база технических нормативов (более 150 тысяч документов) и полное собрание национальных стандартов, аутентичное официальной базе Госстандарта. GOSTRF.com - это более 1 Терабайта бесплатной технической информации для всех пользователей интернета. Все электронные копии представленных здесь документов могут распространяться без каких-либо ограничений. Поощряется распространение информации с этого сайта на любых других ресурсах. Каждый человек имеет право на неограниченный доступ к этим документам! Каждый человек имеет право на знание требований, изложенных в данных нормативно-правовых актах!

  


 

ГОСТ 27905.2-88

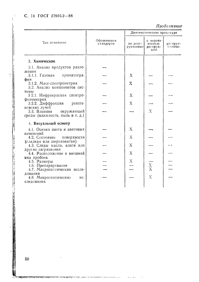
Системы электрической изоляции. Оценка эксплуатационных характеристик, механизма старения и методы диагностики

Обозначение:ГОСТ 27905.2-88
Текущий статус документа: действующий
Название документа рус.:Системы электрической изоляции. Оценка эксплуатационных характеристик, механизма старения и методы диагностики
Название документа англ.:Electrical insulation systems. Evaluation of performances evaluation, ageing mechanism, diagnostic procedures
Дата актуализации текста:01.12.2013
Дата издания:01.01.1989
Дата введения:01.01.1990
Дата последнего изменения:22.05.2013
Область применения:Настоящий стандарт устанавливает общие положения для разработки методов оценки систем изоляции электрооборудования на основе опыта эксплуатации и функциональных испытаний
ГОСТ 27905.2-88ГОСТ 27905.2-88ГОСТ 27905.2-88ГОСТ 27905.2-88ГОСТ 27905.2-88ГОСТ 27905.2-88ГОСТ 27905.2-88ГОСТ 27905.2-88ГОСТ 27905.2-88ГОСТ 27905.2-88ГОСТ 27905.2-88ГОСТ 27905.2-88ГОСТ 27905.2-88ГОСТ 27905.2-88ГОСТ 27905.2-88
 




ГОСТЫ, СТРОИТЕЛЬНЫЕ и ТЕХНИЧЕСКИЕ НОРМАТИВЫ.
Некоммерческая онлайн система, содержащая все Российские Госты, национальные Стандарты и нормативы.
В Системе содержится более 150000 файлов нормативно-технической документации, действующей на территории РФ.
Система предназначена для широкого круга инженерно-технических специалистов.

Рейтинг@Mail.ru Яндекс цитирования

Copyright © www.gostrf.com, 2008 - 2026