Крупнейшая бесплатная информационно-справочная система онлайн доступа к полному собранию технических нормативно-правовых актов РФ. Огромная база технических нормативов (более 150 тысяч документов) и полное собрание национальных стандартов, аутентичное официальной базе Госстандарта. GOSTRF.com - это более 1 Терабайта бесплатной технической информации для всех пользователей интернета. Все электронные копии представленных здесь документов могут распространяться без каких-либо ограничений. Поощряется распространение информации с этого сайта на любых других ресурсах. Каждый человек имеет право на неограниченный доступ к этим документам! Каждый человек имеет право на знание требований, изложенных в данных нормативно-правовых актах!

  


 

ГОСТ 27579-88

Фермы стальные стропильные из гнутосварных профилей прямоугольного сечения. Технические условия

Обозначение:ГОСТ 27579-88
Текущий статус документа: утратил силу в РФ
Название документа рус.:Фермы стальные стропильные из гнутосварных профилей прямоугольного сечения. Технические условия
Название документа англ.:Rectangular formed-welded section roof trusses. Specifications
Дата актуализации текста:01.12.2013
Дата издания:19.04.1988
Дата введения:01.07.1988
Дата последнего изменения:22.05.2013
Дата окончания срока действия:01.01.2010
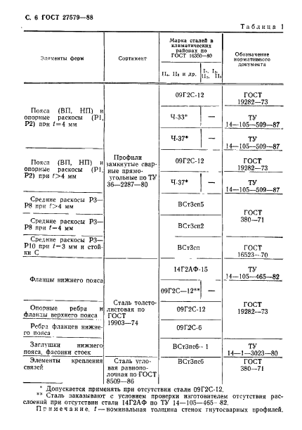
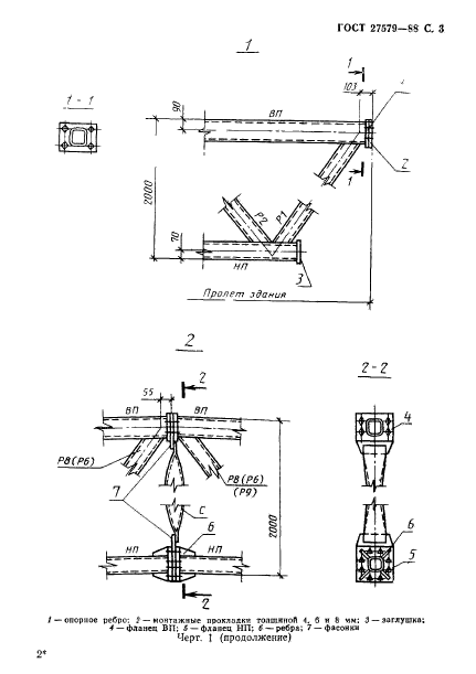
Область применения:Настоящий стандарт распространяется на стальные сварные стропильные фермы из гнутосварных профилей прямоугольного сечения (типа “Молодечно“) с уклоном верхнего пояса 1,5 %, предназначенные для отапливаемых зданий пролетами 18, 24 и 30 м, с рулонной или мастичной кровлей по стальным профилированным листам; с неагрессивными или слабоагрессивными средами; возводимые в любых климатических районах по ГОСТ 16350-80 и с сейсмичностью до 9 баллов включительно. Стандарт также распространяется на фермы для зданий с мостовыми кранами групп режимов работы 1К-6К по ГОСТ 25546-82 и подвесными кранами грузоподъемностью до 5 т. На фермах допускается располагать зенитные фонари, крышные вентиляторы, а в межферменном пространстве прокладывать воздуховоды и другие коммуникации
Список изменений:№0 от 01.01.2010 (рег. 06.04.2009) «Поправка к изменению»
ГОСТ 27579-88ГОСТ 27579-88ГОСТ 27579-88ГОСТ 27579-88ГОСТ 27579-88ГОСТ 27579-88ГОСТ 27579-88ГОСТ 27579-88ГОСТ 27579-88ГОСТ 27579-88ГОСТ 27579-88ГОСТ 27579-88ГОСТ 27579-88ГОСТ 27579-88ГОСТ 27579-88ГОСТ 27579-88ГОСТ 27579-88ГОСТ 27579-88ГОСТ 27579-88
 




ГОСТЫ, СТРОИТЕЛЬНЫЕ и ТЕХНИЧЕСКИЕ НОРМАТИВЫ.
Некоммерческая онлайн система, содержащая все Российские Госты, национальные Стандарты и нормативы.
В Системе содержится более 150000 файлов нормативно-технической документации, действующей на территории РФ.
Система предназначена для широкого круга инженерно-технических специалистов.

Рейтинг@Mail.ru Яндекс цитирования

Copyright © www.gostrf.com, 2008 - 2026