Крупнейшая бесплатная информационно-справочная система онлайн доступа к полному собранию технических нормативно-правовых актов РФ. Огромная база технических нормативов (более 150 тысяч документов) и полное собрание национальных стандартов, аутентичное официальной базе Госстандарта. GOSTRF.com - это более 1 Терабайта бесплатной технической информации для всех пользователей интернета. Все электронные копии представленных здесь документов могут распространяться без каких-либо ограничений. Поощряется распространение информации с этого сайта на любых других ресурсах. Каждый человек имеет право на неограниченный доступ к этим документам! Каждый человек имеет право на знание требований, изложенных в данных нормативно-правовых актах!

  


 

ГОСТ 27108-86

Конструкции каркаса железобетонные для многоэтажных зданий с безбалочными перекрытиями. Технические условия

Обозначение:ГОСТ 27108-86
Текущий статус документа: действующий
Название документа рус.:Конструкции каркаса железобетонные для многоэтажных зданий с безбалочными перекрытиями. Технические условия
Название документа англ.:Reinforced concrete framework structures for multi-storeyed industrial buildings with floors without beams. Specifications
Дата актуализации текста:01.12.2013
Дата издания:18.03.1987
Дата введения:30.06.1987
Дата последнего изменения:22.05.2013
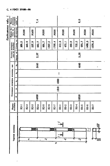
Область применения:Настоящий стандарт распространяется на сборные железобетонные конструкции каркаса зданий с безбалочными перекрытиями, изготовляемые из тяжелого бетона и предназначенные для многоэтажных производственных и складских зданий промышленных и сельскохозяйственных предприятий.
Стандарт не распространяется на конструкции, предназначенные для зданий с расчетной сейсмичностью 7 баллов и более, а также для зданий, возводимых на просадочных грунтах и на подрабатываемых территориях
ГОСТ 27108-86ГОСТ 27108-86ГОСТ 27108-86ГОСТ 27108-86ГОСТ 27108-86ГОСТ 27108-86ГОСТ 27108-86ГОСТ 27108-86ГОСТ 27108-86ГОСТ 27108-86ГОСТ 27108-86ГОСТ 27108-86ГОСТ 27108-86ГОСТ 27108-86ГОСТ 27108-86ГОСТ 27108-86ГОСТ 27108-86ГОСТ 27108-86ГОСТ 27108-86ГОСТ 27108-86ГОСТ 27108-86ГОСТ 27108-86ГОСТ 27108-86ГОСТ 27108-86ГОСТ 27108-86ГОСТ 27108-86ГОСТ 27108-86
 




ГОСТЫ, СТРОИТЕЛЬНЫЕ и ТЕХНИЧЕСКИЕ НОРМАТИВЫ.
Некоммерческая онлайн система, содержащая все Российские Госты, национальные Стандарты и нормативы.
В Системе содержится более 150000 файлов нормативно-технической документации, действующей на территории РФ.
Система предназначена для широкого круга инженерно-технических специалистов.

Рейтинг@Mail.ru Яндекс цитирования

Copyright © www.gostrf.com, 2008 - 2026