Крупнейшая бесплатная информационно-справочная система онлайн доступа к полному собранию технических нормативно-правовых актов РФ. Огромная база технических нормативов (более 150 тысяч документов) и полное собрание национальных стандартов, аутентичное официальной базе Госстандарта. GOSTRF.com - это более 1 Терабайта бесплатной технической информации для всех пользователей интернета. Все электронные копии представленных здесь документов могут распространяться без каких-либо ограничений. Поощряется распространение информации с этого сайта на любых других ресурсах. Каждый человек имеет право на неограниченный доступ к этим документам! Каждый человек имеет право на знание требований, изложенных в данных нормативно-правовых актах!

  


 

ГОСТ 24566-86

Соединители плоские втычные. Основные размеры, технические требования и методы испытаний

Обозначение:ГОСТ 24566-86
Текущий статус документа: действующий
Название документа рус.:Соединители плоские втычные. Основные размеры, технические требования и методы испытаний
Название документа англ.:Flat plug-in connectors. Basic dimensions, technical requirements and test methods
Дата актуализации текста:01.12.2013
Дата издания:28.01.1987
Дата введения:01.01.1988
Дата последнего изменения:22.05.2013
Взамен:
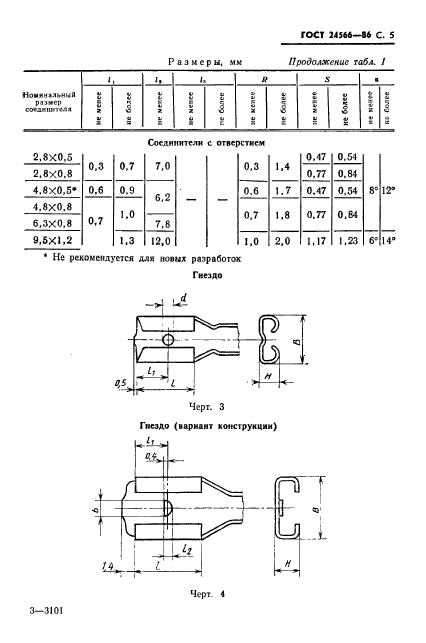
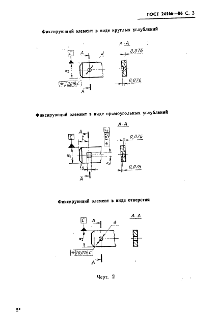
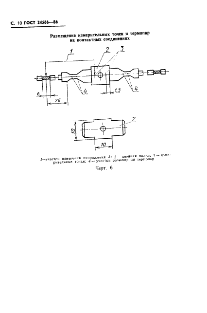
Область применения:Настоящий стандарт распространяется на плоские втычные соединители, состоящие из розеток и вилок с плоскими гнездовыми и штыревыми контактами, и устанавливает основные размеры вставок и гнезд, а также технические требования и методы испытаний соединителей.
Стандарт не распространяется на соединители для электрооборудования дорожных транспортных средств и сельскохозяйственных самоходных машин
ГОСТ 24566-86ГОСТ 24566-86ГОСТ 24566-86ГОСТ 24566-86ГОСТ 24566-86ГОСТ 24566-86ГОСТ 24566-86ГОСТ 24566-86ГОСТ 24566-86ГОСТ 24566-86ГОСТ 24566-86ГОСТ 24566-86ГОСТ 24566-86ГОСТ 24566-86ГОСТ 24566-86ГОСТ 24566-86ГОСТ 24566-86ГОСТ 24566-86ГОСТ 24566-86ГОСТ 24566-86ГОСТ 24566-86ГОСТ 24566-86ГОСТ 24566-86ГОСТ 24566-86ГОСТ 24566-86ГОСТ 24566-86ГОСТ 24566-86ГОСТ 24566-86
 




ГОСТЫ, СТРОИТЕЛЬНЫЕ и ТЕХНИЧЕСКИЕ НОРМАТИВЫ.
Некоммерческая онлайн система, содержащая все Российские Госты, национальные Стандарты и нормативы.
В Системе содержится более 150000 файлов нормативно-технической документации, действующей на территории РФ.
Система предназначена для широкого круга инженерно-технических специалистов.

Рейтинг@Mail.ru Яндекс цитирования

Copyright © www.gostrf.com, 2008 - 2026