Крупнейшая бесплатная информационно-справочная система онлайн доступа к полному собранию технических нормативно-правовых актов РФ. Огромная база технических нормативов (более 150 тысяч документов) и полное собрание национальных стандартов, аутентичное официальной базе Госстандарта. GOSTRF.com - это более 1 Терабайта бесплатной технической информации для всех пользователей интернета. Все электронные копии представленных здесь документов могут распространяться без каких-либо ограничений. Поощряется распространение информации с этого сайта на любых других ресурсах. Каждый человек имеет право на неограниченный доступ к этим документам! Каждый человек имеет право на знание требований, изложенных в данных нормативно-правовых актах!

  


 

ГОСТ 4.458-86

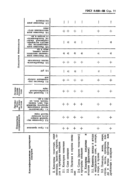
Система показателей качества продукции. Консервы овощные, плодовые и ягодные. Номенклатура показателей

Обозначение:ГОСТ 4.458-86
Текущий статус документа: действующий
Название документа рус.:Система показателей качества продукции. Консервы овощные, плодовые и ягодные. Номенклатура показателей
Название документа англ.:Product-quality index system. Canned vegetables, fruits and berries. Index nomenclature
Дата актуализации текста:01.12.2013
Дата издания:09.03.1987
Дата введения:01.01.1988
Дата последнего изменения:22.05.2013
Область применения:Настоящий стандарт устанавливает номенклатуру показателей качества овощных, плодовых и ягодных консервов, включаемых в разрабатываемые и пересматриваемые стандарты и ТУ на продукцию
ГОСТ 4.458-86ГОСТ 4.458-86ГОСТ 4.458-86ГОСТ 4.458-86ГОСТ 4.458-86ГОСТ 4.458-86ГОСТ 4.458-86ГОСТ 4.458-86ГОСТ 4.458-86ГОСТ 4.458-86ГОСТ 4.458-86ГОСТ 4.458-86ГОСТ 4.458-86ГОСТ 4.458-86ГОСТ 4.458-86
 




ГОСТЫ, СТРОИТЕЛЬНЫЕ и ТЕХНИЧЕСКИЕ НОРМАТИВЫ.
Некоммерческая онлайн система, содержащая все Российские Госты, национальные Стандарты и нормативы.
В Системе содержится более 150000 файлов нормативно-технической документации, действующей на территории РФ.
Система предназначена для широкого круга инженерно-технических специалистов.

Рейтинг@Mail.ru Яндекс цитирования

Copyright © www.gostrf.com, 2008 - 2026