Крупнейшая бесплатная информационно-справочная система онлайн доступа к полному собранию технических нормативно-правовых актов РФ. Огромная база технических нормативов (более 150 тысяч документов) и полное собрание национальных стандартов, аутентичное официальной базе Госстандарта. GOSTRF.com - это более 1 Терабайта бесплатной технической информации для всех пользователей интернета. Все электронные копии представленных здесь документов могут распространяться без каких-либо ограничений. Поощряется распространение информации с этого сайта на любых других ресурсах. Каждый человек имеет право на неограниченный доступ к этим документам! Каждый человек имеет право на знание требований, изложенных в данных нормативно-правовых актах!

  


 

ГОСТ 8894-86

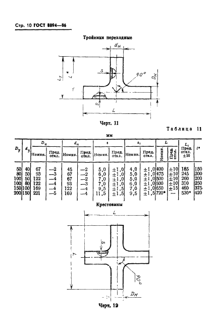
Трубы стеклянные и фасонные части к ним. Технические условия

Обозначение:ГОСТ 8894-86
Текущий статус документа: действующий
Название документа рус.:Трубы стеклянные и фасонные части к ним. Технические условия
Название документа англ.:Glass pipes and fittings. Specifications
Дата актуализации текста:01.12.2013
Дата издания:01.01.1986
Дата введения:01.01.1987
Дата последнего изменения:22.05.2013
Область применения:Настоящий стандарт распространяется на стеклянные трубы и фасонные части к ним из стекла 13В, предназначенные для напорных, безнапорных и вакуумных трубопроводов, используемых для транспортирования жидких, газообразных и твердых веществ с различными физико-химическими свойствами (за исключением плавиковой кислоты) при температуре от минус 50 до плюс 120 град. С.
Стеклянные трубы и фасонные части к ним могут быть использованы в качестве деталей аппаратов при температуре от минус 50 до плюс 250 град. С
ГОСТ 8894-86ГОСТ 8894-86ГОСТ 8894-86ГОСТ 8894-86ГОСТ 8894-86ГОСТ 8894-86ГОСТ 8894-86ГОСТ 8894-86ГОСТ 8894-86ГОСТ 8894-86ГОСТ 8894-86ГОСТ 8894-86ГОСТ 8894-86ГОСТ 8894-86ГОСТ 8894-86ГОСТ 8894-86ГОСТ 8894-86ГОСТ 8894-86ГОСТ 8894-86ГОСТ 8894-86ГОСТ 8894-86ГОСТ 8894-86ГОСТ 8894-86ГОСТ 8894-86
 




ГОСТЫ, СТРОИТЕЛЬНЫЕ и ТЕХНИЧЕСКИЕ НОРМАТИВЫ.
Некоммерческая онлайн система, содержащая все Российские Госты, национальные Стандарты и нормативы.
В Системе содержится более 150000 файлов нормативно-технической документации, действующей на территории РФ.
Система предназначена для широкого круга инженерно-технических специалистов.

Рейтинг@Mail.ru Яндекс цитирования

Copyright © www.gostrf.com, 2008 - 2026