Крупнейшая бесплатная информационно-справочная система онлайн доступа к полному собранию технических нормативно-правовых актов РФ. Огромная база технических нормативов (более 150 тысяч документов) и полное собрание национальных стандартов, аутентичное официальной базе Госстандарта. GOSTRF.com - это более 1 Терабайта бесплатной технической информации для всех пользователей интернета. Все электронные копии представленных здесь документов могут распространяться без каких-либо ограничений. Поощряется распространение информации с этого сайта на любых других ресурсах. Каждый человек имеет право на неограниченный доступ к этим документам! Каждый человек имеет право на знание требований, изложенных в данных нормативно-правовых актах!

  


 

ГОСТ 8.294-85

Государственная система обеспечения единства измерений. Мосты переменного тока уравновешенные. Методика поверки

Обозначение:ГОСТ 8.294-85
Текущий статус документа: утратил силу в РФ
Название документа рус.:Государственная система обеспечения единства измерений. Мосты переменного тока уравновешенные. Методика поверки
Название документа англ.:State system of ensuring the uniformity of measurements. A.c. balanced bridges. Calibration methods
Дата актуализации текста:01.12.2013
Дата издания:18.10.1985
Дата введения:01.07.1986
Дата последнего изменения:22.05.2013
Дата окончания срока действия:01.07.2011
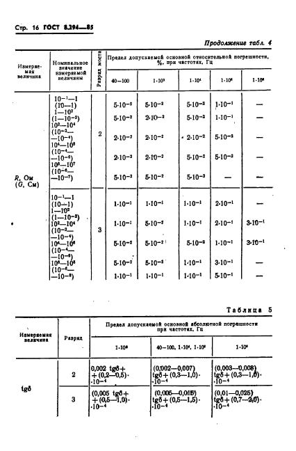
Область применения:Настоящий стандарт распространяется на измерительные мосты переменного тока по ГОСТ 9486-79 и автоматические цифровые мосты переменного тока по ГОСТ 25242-82, предназначенные для измерения электрической емкости С от 1х10 в степени -15 до 1х10 в степени -1 Ф, индуктивности L от 1х10 в степени -9 до 2х10 в степени -3 Гн, активного электрического сопротивления R от 1х10 в степени -2 до 1х10 в степени 8 Ом, активной электрической проводимости G от 1х10 в степени -8 до 1х10 в степени 2 См, тангенса угла потерь tg 8 от 1х10 в степени -5 до 2, добротности Q от 1х10 в степени -2 до 250, тангенса угла фазового сдвига tg ф от 1х10 в степени -4 до 10, постоянной времени r от 1х10 в степени -9 до 1х10 в степени -4 с при синусоидальном напряжении на объекте измерения U до 200 В в диапазоне частот f от 40 до 1х10 в степени 6 Гц.
Стандарт не распространяется на мосты для специальных измерений (например электрохимических и магнитных измерений, измерений неэлектрических величин и сопротивления изоляции) и на мосты-компараторы
Список изменений:№0 от 01.07.2011 (рег. 15.12.2009) «Поправка к изменению»
ГОСТ 8.294-85ГОСТ 8.294-85ГОСТ 8.294-85ГОСТ 8.294-85ГОСТ 8.294-85ГОСТ 8.294-85ГОСТ 8.294-85ГОСТ 8.294-85ГОСТ 8.294-85ГОСТ 8.294-85ГОСТ 8.294-85ГОСТ 8.294-85ГОСТ 8.294-85ГОСТ 8.294-85ГОСТ 8.294-85ГОСТ 8.294-85ГОСТ 8.294-85ГОСТ 8.294-85ГОСТ 8.294-85ГОСТ 8.294-85ГОСТ 8.294-85ГОСТ 8.294-85ГОСТ 8.294-85ГОСТ 8.294-85ГОСТ 8.294-85ГОСТ 8.294-85ГОСТ 8.294-85ГОСТ 8.294-85ГОСТ 8.294-85ГОСТ 8.294-85ГОСТ 8.294-85ГОСТ 8.294-85ГОСТ 8.294-85ГОСТ 8.294-85ГОСТ 8.294-85ГОСТ 8.294-85ГОСТ 8.294-85ГОСТ 8.294-85ГОСТ 8.294-85ГОСТ 8.294-85ГОСТ 8.294-85
 




ГОСТЫ, СТРОИТЕЛЬНЫЕ и ТЕХНИЧЕСКИЕ НОРМАТИВЫ.
Некоммерческая онлайн система, содержащая все Российские Госты, национальные Стандарты и нормативы.
В Системе содержится более 150000 файлов нормативно-технической документации, действующей на территории РФ.
Система предназначена для широкого круга инженерно-технических специалистов.

Рейтинг@Mail.ru Яндекс цитирования

Copyright © www.gostrf.com, 2008 - 2026