Крупнейшая бесплатная информационно-справочная система онлайн доступа к полному собранию технических нормативно-правовых актов РФ. Огромная база технических нормативов (более 150 тысяч документов) и полное собрание национальных стандартов, аутентичное официальной базе Госстандарта. GOSTRF.com - это более 1 Терабайта бесплатной технической информации для всех пользователей интернета. Все электронные копии представленных здесь документов могут распространяться без каких-либо ограничений. Поощряется распространение информации с этого сайта на любых других ресурсах. Каждый человек имеет право на неограниченный доступ к этим документам! Каждый человек имеет право на знание требований, изложенных в данных нормативно-правовых актах!

  


 

ГОСТ 16330-85

Системы обработки информации. Шрифты для оптического чтения. Типы, основные параметры и размеры

Обозначение:ГОСТ 16330-85
Текущий статус документа: действующий
Название документа рус.:Системы обработки информации. Шрифты для оптического чтения. Типы, основные параметры и размеры
Название документа англ.:Information processing systems. Founts for optical character recognition. Types basis parameters and dimensions
Дата актуализации текста:01.12.2013
Дата издания:07.04.1986
Дата введения:30.06.1986
Дата последнего изменения:22.05.2013
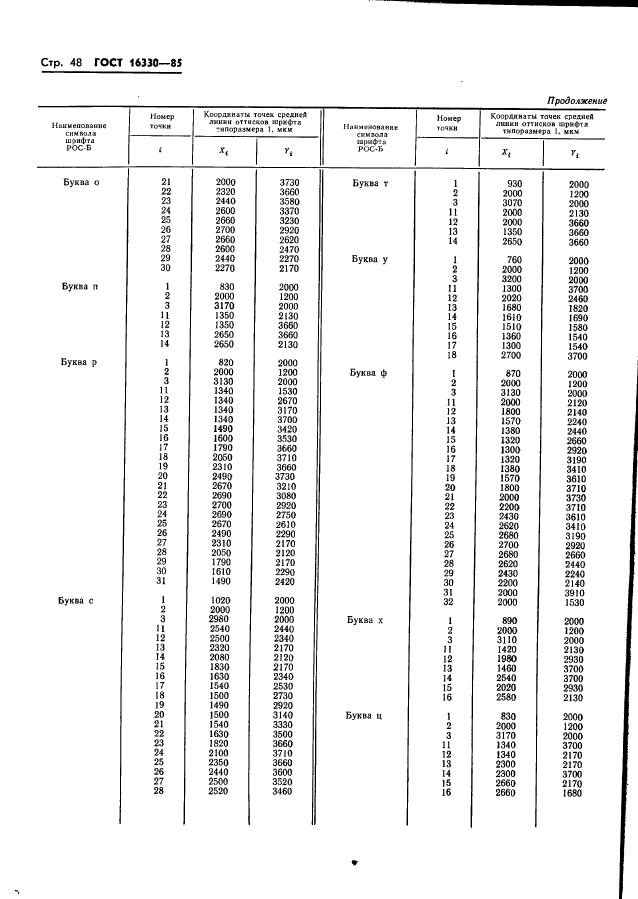
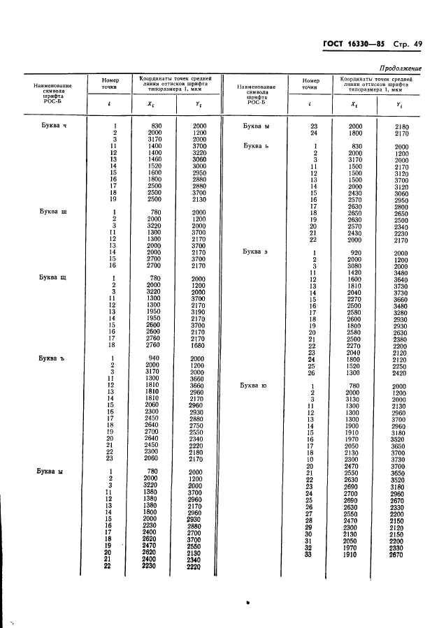
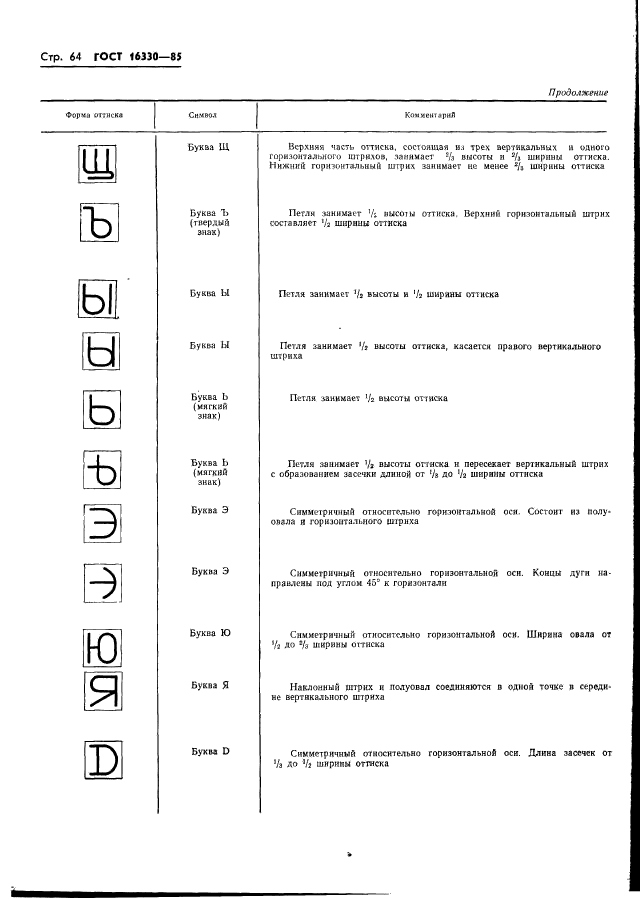
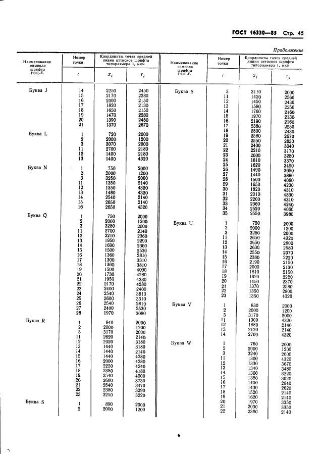
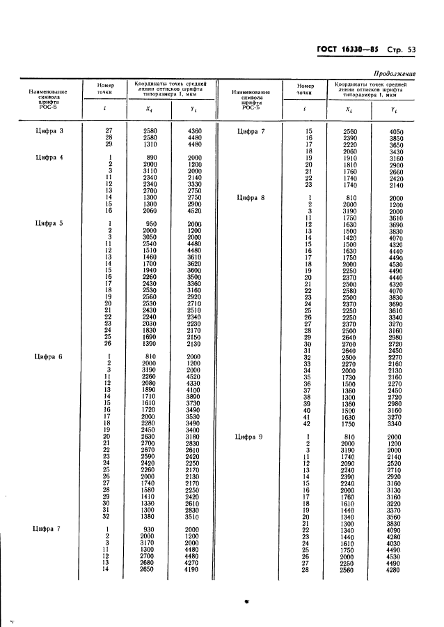
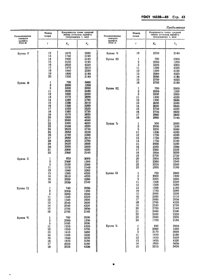
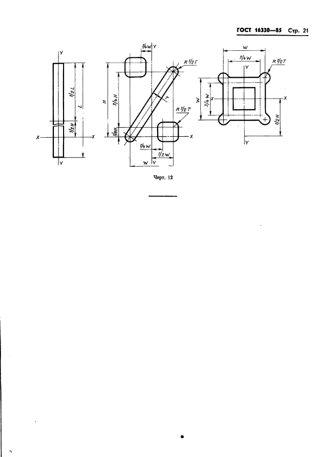
Область применения:Настоящий стандарт распространяется на печатные и рукописные шрифты для оптического чтения (типа “РОС“) и устанавливает типы, состав, форму и размеры оттисков шрифтов, напечатанных или написанных оптически контрастной краской на машиночитаемом документе и предназначенных для автоматического чтения с помощью оптических читающих устройств в системах обработки информации и для визуального чтения
Список изменений:№1 от 01.10.1991 (рег. 29.03.1991) «Срок действия продлен»
ГОСТ 16330-85ГОСТ 16330-85ГОСТ 16330-85ГОСТ 16330-85ГОСТ 16330-85ГОСТ 16330-85ГОСТ 16330-85ГОСТ 16330-85ГОСТ 16330-85ГОСТ 16330-85ГОСТ 16330-85ГОСТ 16330-85ГОСТ 16330-85ГОСТ 16330-85ГОСТ 16330-85ГОСТ 16330-85ГОСТ 16330-85ГОСТ 16330-85ГОСТ 16330-85ГОСТ 16330-85ГОСТ 16330-85ГОСТ 16330-85ГОСТ 16330-85ГОСТ 16330-85ГОСТ 16330-85ГОСТ 16330-85ГОСТ 16330-85ГОСТ 16330-85ГОСТ 16330-85ГОСТ 16330-85ГОСТ 16330-85ГОСТ 16330-85ГОСТ 16330-85ГОСТ 16330-85ГОСТ 16330-85ГОСТ 16330-85ГОСТ 16330-85ГОСТ 16330-85ГОСТ 16330-85ГОСТ 16330-85ГОСТ 16330-85ГОСТ 16330-85ГОСТ 16330-85ГОСТ 16330-85ГОСТ 16330-85ГОСТ 16330-85ГОСТ 16330-85ГОСТ 16330-85ГОСТ 16330-85ГОСТ 16330-85ГОСТ 16330-85ГОСТ 16330-85ГОСТ 16330-85ГОСТ 16330-85ГОСТ 16330-85ГОСТ 16330-85ГОСТ 16330-85ГОСТ 16330-85ГОСТ 16330-85ГОСТ 16330-85ГОСТ 16330-85ГОСТ 16330-85ГОСТ 16330-85ГОСТ 16330-85ГОСТ 16330-85ГОСТ 16330-85ГОСТ 16330-85ГОСТ 16330-85ГОСТ 16330-85ГОСТ 16330-85ГОСТ 16330-85ГОСТ 16330-85ГОСТ 16330-85ГОСТ 16330-85ГОСТ 16330-85ГОСТ 16330-85ГОСТ 16330-85ГОСТ 16330-85ГОСТ 16330-85
 




ГОСТЫ, СТРОИТЕЛЬНЫЕ и ТЕХНИЧЕСКИЕ НОРМАТИВЫ.
Некоммерческая онлайн система, содержащая все Российские Госты, национальные Стандарты и нормативы.
В Системе содержится более 150000 файлов нормативно-технической документации, действующей на территории РФ.
Система предназначена для широкого круга инженерно-технических специалистов.

Рейтинг@Mail.ru Яндекс цитирования

Copyright © www.gostrf.com, 2008 - 2026