Крупнейшая бесплатная информационно-справочная система онлайн доступа к полному собранию технических нормативно-правовых актов РФ. Огромная база технических нормативов (более 150 тысяч документов) и полное собрание национальных стандартов, аутентичное официальной базе Госстандарта. GOSTRF.com - это более 1 Терабайта бесплатной технической информации для всех пользователей интернета. Все электронные копии представленных здесь документов могут распространяться без каких-либо ограничений. Поощряется распространение информации с этого сайта на любых других ресурсах. Каждый человек имеет право на неограниченный доступ к этим документам! Каждый человек имеет право на знание требований, изложенных в данных нормативно-правовых актах!

  


 

ГОСТ 26492-85

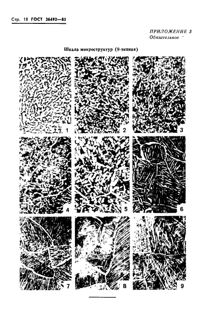
Прутки катаные из титана и титановых сплавов. Технические условия

Обозначение:ГОСТ 26492-85
Текущий статус документа: действующий
Название документа рус.:Прутки катаные из титана и титановых сплавов. Технические условия
Название документа англ.:Titanium and titanium alloys rolled bars. Specifications
Дата актуализации текста:01.12.2013
Дата издания:03.07.1985
Дата введения:01.01.1987
Дата последнего изменения:22.05.2013
Область применения:Настоящий стандарт распространяется на круглые горячекатаные необточенные прутки из титана и титановых сплавов
Список изменений:№1 от 01.04.1990 (рег. 21.09.1989) «Срок действия продлен»
№2 от 01.01.1992 (рег. 09.09.1991) «Срок действия продлен»
ГОСТ 26492-85ГОСТ 26492-85ГОСТ 26492-85ГОСТ 26492-85ГОСТ 26492-85ГОСТ 26492-85ГОСТ 26492-85ГОСТ 26492-85ГОСТ 26492-85ГОСТ 26492-85ГОСТ 26492-85ГОСТ 26492-85ГОСТ 26492-85ГОСТ 26492-85ГОСТ 26492-85ГОСТ 26492-85ГОСТ 26492-85ГОСТ 26492-85ГОСТ 26492-85ГОСТ 26492-85ГОСТ 26492-85ГОСТ 26492-85ГОСТ 26492-85ГОСТ 26492-85ГОСТ 26492-85ГОСТ 26492-85ГОСТ 26492-85ГОСТ 26492-85ГОСТ 26492-85ГОСТ 26492-85ГОСТ 26492-85
 




ГОСТЫ, СТРОИТЕЛЬНЫЕ и ТЕХНИЧЕСКИЕ НОРМАТИВЫ.
Некоммерческая онлайн система, содержащая все Российские Госты, национальные Стандарты и нормативы.
В Системе содержится более 150000 файлов нормативно-технической документации, действующей на территории РФ.
Система предназначена для широкого круга инженерно-технических специалистов.

Рейтинг@Mail.ru Яндекс цитирования

Copyright © www.gostrf.com, 2008 - 2026