Крупнейшая бесплатная информационно-справочная система онлайн доступа к полному собранию технических нормативно-правовых актов РФ. Огромная база технических нормативов (более 150 тысяч документов) и полное собрание национальных стандартов, аутентичное официальной базе Госстандарта. GOSTRF.com - это более 1 Терабайта бесплатной технической информации для всех пользователей интернета. Все электронные копии представленных здесь документов могут распространяться без каких-либо ограничений. Поощряется распространение информации с этого сайта на любых других ресурсах. Каждый человек имеет право на неограниченный доступ к этим документам! Каждый человек имеет право на знание требований, изложенных в данных нормативно-правовых актах!

  


 

ГОСТ 4.393-85

Система показателей качества продукции. Автопогрузчики вилочные общего назначения. Номенклатура показателей

Обозначение:ГОСТ 4.393-85
Текущий статус документа: действующий
Название документа рус.:Система показателей качества продукции. Автопогрузчики вилочные общего назначения. Номенклатура показателей
Название документа англ.:Product-quality index system. General-purpose fork-lift trucks. Index nomenclature
Дата актуализации текста:01.12.2013
Дата издания:05.03.1986
Дата введения:01.01.1987
Дата последнего изменения:25.11.2013
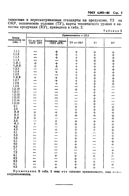
Область применения:Настоящий стандарт устанавливает номенклатуру основных показателей качества вилочных автопогрузчиков общего назначения, включаемых в ТЗ на НИР по определению перспектив развития этой группы, государственный стандарт с перспективными требованиями, а также номенклатуру показателей качества, включаемых в разрабатываемые и пересматриваемые стандарты на продукцию, ТЗ на ОКР, технические условия, карты технического уровня и качества продукции
Список изменений:№1 от 17.07.1987 (рег. 17.07.1987) «Срок действия продлен»
№2 от 01.07.1989 (рег. 30.01.1989) «Срок действия продлен»
ГОСТ 4.393-85ГОСТ 4.393-85ГОСТ 4.393-85ГОСТ 4.393-85ГОСТ 4.393-85ГОСТ 4.393-85ГОСТ 4.393-85ГОСТ 4.393-85ГОСТ 4.393-85ГОСТ 4.393-85ГОСТ 4.393-85ГОСТ 4.393-85ГОСТ 4.393-85ГОСТ 4.393-85ГОСТ 4.393-85ГОСТ 4.393-85
 




ГОСТЫ, СТРОИТЕЛЬНЫЕ и ТЕХНИЧЕСКИЕ НОРМАТИВЫ.
Некоммерческая онлайн система, содержащая все Российские Госты, национальные Стандарты и нормативы.
В Системе содержится более 150000 файлов нормативно-технической документации, действующей на территории РФ.
Система предназначена для широкого круга инженерно-технических специалистов.

Рейтинг@Mail.ru Яндекс цитирования

Copyright © www.gostrf.com, 2008 - 2026