Крупнейшая бесплатная информационно-справочная система онлайн доступа к полному собранию технических нормативно-правовых актов РФ. Огромная база технических нормативов (более 150 тысяч документов) и полное собрание национальных стандартов, аутентичное официальной базе Госстандарта. GOSTRF.com - это более 1 Терабайта бесплатной технической информации для всех пользователей интернета. Все электронные копии представленных здесь документов могут распространяться без каких-либо ограничений. Поощряется распространение информации с этого сайта на любых других ресурсах. Каждый человек имеет право на неограниченный доступ к этим документам! Каждый человек имеет право на знание требований, изложенных в данных нормативно-правовых актах!

  


 

ГОСТ 31.111.41-93

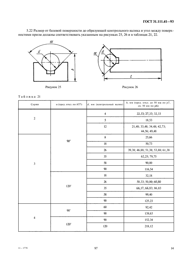
Детали и сборочные единицы универсально-сборных приспособлений к металлорежущим станкам. Основные параметры. Конструктивные элементы. Нормы точности

Обозначение:ГОСТ 31.111.41-93
Текущий статус документа: действующий
Название документа рус.:Детали и сборочные единицы универсально-сборных приспособлений к металлорежущим станкам. Основные параметры. Конструктивные элементы. Нормы точности
Название документа англ.:Parts and assembly units of universal assembly devices for metal-cutting machines. Basic parameters. Constructive elements. Norms of accuracy
Дата актуализации текста:01.12.2013
Дата издания:01.10.2005
Дата введения:30.06.1996
Дата последнего изменения:22.05.2013
Переиздание:переиздание
Область применения:Настоящий стандарт распространяется на детали и сборочные единицы универсально- сборных приспособлений и устанавливает их основные параметры, конструктивные элементы, серии и основные размеры, поля допусков линейных и угловых размеров, допуски формы и расположения поверхностей
ГОСТ 31.111.41-93ГОСТ 31.111.41-93ГОСТ 31.111.41-93ГОСТ 31.111.41-93ГОСТ 31.111.41-93ГОСТ 31.111.41-93ГОСТ 31.111.41-93ГОСТ 31.111.41-93ГОСТ 31.111.41-93ГОСТ 31.111.41-93ГОСТ 31.111.41-93ГОСТ 31.111.41-93ГОСТ 31.111.41-93ГОСТ 31.111.41-93ГОСТ 31.111.41-93ГОСТ 31.111.41-93ГОСТ 31.111.41-93ГОСТ 31.111.41-93ГОСТ 31.111.41-93ГОСТ 31.111.41-93ГОСТ 31.111.41-93ГОСТ 31.111.41-93ГОСТ 31.111.41-93ГОСТ 31.111.41-93ГОСТ 31.111.41-93
 




ГОСТЫ, СТРОИТЕЛЬНЫЕ и ТЕХНИЧЕСКИЕ НОРМАТИВЫ.
Некоммерческая онлайн система, содержащая все Российские Госты, национальные Стандарты и нормативы.
В Системе содержится более 150000 файлов нормативно-технической документации, действующей на территории РФ.
Система предназначена для широкого круга инженерно-технических специалистов.

Рейтинг@Mail.ru Яндекс цитирования

Copyright © www.gostrf.com, 2008 - 2026