Крупнейшая бесплатная информационно-справочная система онлайн доступа к полному собранию технических нормативно-правовых актов РФ. Огромная база технических нормативов (более 150 тысяч документов) и полное собрание национальных стандартов, аутентичное официальной базе Госстандарта. GOSTRF.com - это более 1 Терабайта бесплатной технической информации для всех пользователей интернета. Все электронные копии представленных здесь документов могут распространяться без каких-либо ограничений. Поощряется распространение информации с этого сайта на любых других ресурсах. Каждый человек имеет право на неограниченный доступ к этим документам! Каждый человек имеет право на знание требований, изложенных в данных нормативно-правовых актах!

  


 

ГОСТ 2349-75

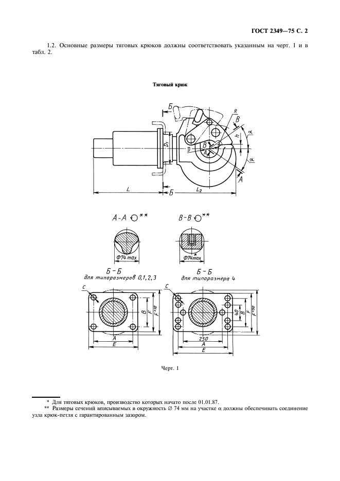
Устройства тягово-сцепные системы "крюк-петля" автомобильных и тракторных поездов. Основные параметры и размеры. Технические требования

Обозначение:ГОСТ 2349-75
Текущий статус документа: действующий
Название документа рус.:Устройства тягово-сцепные системы "крюк-петля" автомобильных и тракторных поездов. Основные параметры и размеры. Технические требования
Название документа англ.:System "hook-eye"drawbar couplings for road- and tractor-trailer trains. Basic parameters and dimensions. Technical requirements
Дата актуализации текста:01.12.2013
Дата издания:01.03.2008
Дата введения:01.01.1976
Дата последнего изменения:22.05.2013
Переиздание:переиздание с изм. 1
Область применения:Настоящий стандарт распространяется на тягово-сцепные устройства, устанавливаемые на автомобилях, тракторах, гусеничных и колесных тягачах и на прицепах. Тягово-сцепным устройством для тягачей является тяговый крюк, для прицепов - сцепная петля и дышло.
Стандарт не распространяется на тягово-сцепные устройства:
а) автопоездов в составе тягача и прицепа-роспуска со складывающимся дышлом;
б) пассажирских автопоездов
Список изменений:№1 от 01.07.1982 (рег. 07.04.1982) «Срок действия продлен»
№2 от 01.07.1986 (рег. 27.09.1985) «Срок действия продлен»
№3 от 01.01.1991 (рег. 08.06.1990) «Срок действия продлен»
ГОСТ 2349-75ГОСТ 2349-75ГОСТ 2349-75ГОСТ 2349-75ГОСТ 2349-75ГОСТ 2349-75ГОСТ 2349-75ГОСТ 2349-75ГОСТ 2349-75ГОСТ 2349-75ГОСТ 2349-75
 




ГОСТЫ, СТРОИТЕЛЬНЫЕ и ТЕХНИЧЕСКИЕ НОРМАТИВЫ.
Некоммерческая онлайн система, содержащая все Российские Госты, национальные Стандарты и нормативы.
В Системе содержится более 150000 файлов нормативно-технической документации, действующей на территории РФ.
Система предназначена для широкого круга инженерно-технических специалистов.

Рейтинг@Mail.ru Яндекс цитирования

Copyright © www.gostrf.com, 2008 - 2026