Крупнейшая бесплатная информационно-справочная система онлайн доступа к полному собранию технических нормативно-правовых актов РФ. Огромная база технических нормативов (более 150 тысяч документов) и полное собрание национальных стандартов, аутентичное официальной базе Госстандарта. GOSTRF.com - это более 1 Терабайта бесплатной технической информации для всех пользователей интернета. Все электронные копии представленных здесь документов могут распространяться без каких-либо ограничений. Поощряется распространение информации с этого сайта на любых других ресурсах. Каждый человек имеет право на неограниченный доступ к этим документам! Каждый человек имеет право на знание требований, изложенных в данных нормативно-правовых актах!

  


 

ГОСТ 28352-89

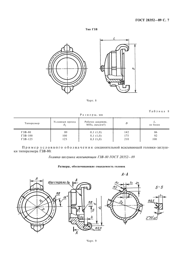
Головки соединительные для пожарного оборудования. Типы, основные параметры и размеры

Обозначение:ГОСТ 28352-89
Текущий статус документа: утратил силу в РФ
Название документа рус.:Головки соединительные для пожарного оборудования. Типы, основные параметры и размеры
Название документа англ.:Connecting heads for fire equipment. Types, main parameters and dimensions
Дата актуализации текста:01.12.2013
Дата издания:01.12.2005
Дата введения:01.01.1992
Дата последнего изменения:22.05.2013
Дата окончания срока действия:01.05.2009
Переиздание:переиздание с поправкой
Взамен:
Область применения:Настоящий стандарт распространяется на соединительные напорные и всасывающие головки, предназначенные для соединения напорных, всасывающих и напорно-всасывающих пожарных рукавов между собой и с пожарным оборудованием.
Стандарт устанавливает требования к головкам, изготовляемым для нужд народного хозяйства и экспорта
Список изменений:№0 от 01.05.2009 (рег. 18.02.2009) «Поправка к изменению»
ГОСТ 28352-89ГОСТ 28352-89ГОСТ 28352-89ГОСТ 28352-89ГОСТ 28352-89ГОСТ 28352-89ГОСТ 28352-89ГОСТ 28352-89ГОСТ 28352-89ГОСТ 28352-89ГОСТ 28352-89
 




ГОСТЫ, СТРОИТЕЛЬНЫЕ и ТЕХНИЧЕСКИЕ НОРМАТИВЫ.
Некоммерческая онлайн система, содержащая все Российские Госты, национальные Стандарты и нормативы.
В Системе содержится более 150000 файлов нормативно-технической документации, действующей на территории РФ.
Система предназначена для широкого круга инженерно-технических специалистов.

Рейтинг@Mail.ru Яндекс цитирования

Copyright © www.gostrf.com, 2008 - 2026